AM通信へのお誘い-過去記事2017年


松本ラジオ博物館

JA2MEI 関さんからの情報です。


    年の暮れ、本当に寒くなってきましたね。

    先週末、長野市に出かけた帰り道に、松本市に立ち寄り添付の博物館に行きましたが、午後しか開館せずに私は時間が無く入館出来ませんでした。

    いちど新宿から特急あずさでお出かけあれ。

    FBな新年をお迎えください。




    JA2MEI 関



2017/12/31 de JR1KQU 加藤欣一

↑Page Top

JH2EPX/1 宮路さんより自作真空管ラジオの紹介です

JH2EPX/1 宮路さんより自作真空管ラジオの紹介です。


    自作真空管ラジオの写真を送ります。

    真空管ラジオはずいぶん自作しました。今まで2030台程度は作ったと思います。
    自作してはオークションに出したりもしています。

    今月製作した 5 球スーパーラジオ。スター製の古い 2Band コイルを使い、 BC 帯と3.5M10MHZ の 2 バンド仕様。
    真空管は、80BK/ UZ42/ 6ZDH3A/ 6D6/ 6WC5 のごくごく普通の標準型真空管ラジオです。




    夜はガンガン北京放送など強力なラジオ局が飛び込んできます。
    11月に入り製作したものですが、まだパネル加工が完成していません。

    現在は段ボール(厚紙)で作った仮のパネルのままです。パネルイメージを考えて型紙の代わりに厚紙でレイアウトしたものです。(いつも、このような感じで作っています。)
    これをアルミ板( 1mm 厚)を購入して、型紙通りに穴あけ加工すれば出来上がりです。12 月に実施予定。

    と同時に現在もう1台 真空管ラジオを作り始めました。

    手持ちのパーツを集めてみたら、高周波増幅 1 段の真空管通信機モデルができそう...と思い、ジャンクの穴あきアルミシャーシにパーツを取り付けてみました。
    保管していた TRIO 製の 2Band/RF 付きのコイルパックがあったので、今日シャーシに組み込んでみました。いい感じです、
    製作開始する予定です。

    出来上がりましたらまた報告させていただきます。

    de JH2EPX/1 宮 路



2017/11/30 de JR1KQU 加藤欣一

↑Page Top

JR3XUH 吉田さん、500WのAMの変更検査に合格!

JR3XUH 吉田さんから、『昨日、500WのAMの変更検査に合格しました! お時間ありましたら、ホームページのぞいてみて下さい。』とのこと。

ぜひ、JR3XUH 吉田さんのホームページをご覧ください。


さて、2017年11月29日を迎えました。  今日は何の日? 500W AM の変更検査の日であります。


JR3XUH 吉田さんのAM送信機のページ(ものすごい大作です...)の一番最後に,『変更検査に合格』の記事が掲載されています.すぐに読みたい方は,こちらをクリック


2017/11/30 de JR1KQU 加藤欣一

↑Page Top

50MHAM通信用カミソリビーム完成しました!

かねてより計画していましたアンテナの整備が終わりました。

11/25 アンテナエレメントをシャックで組み立てておき、26日穏やかな天気で屋上にあがると日光で暑い事、東京はTシャツ一枚で十分でした。

9 時からスイスクワッドの撤去に取りかかり、マストを下まで下げて 6 エレメント HB9CV のブーム 5 mを組み立て、端からディレクター 2 本を取り付け、マストにブームを取り付けました。
リフレクタを水平を見ながら取り付け、心臓部のドライブエレメントを 2 本取り付けた後、アンテナを垂直にしてクロスバーを取り付けて、ヘアピンをとも締めしっかりネジを締め付けました。
最後に残りのディレクターを取り付け水平を確かめマストクランプにしっかり固定しました。

さて、この6エレをマストのてっぺんまで持ち上げて、マストにしっかり固定するんですが、午後になり風が出てきました。少々怖かったですが、タワーのてっぺんに登って命綱をマストに取り付け、必死でへばりついてナットを締めました。

次に HF の 4 エレ HB9CV をマストに固定、ゴム引きの滑り止め手袋はめてここからですが、上がりません。

そんなバカなヘナチョコジジイの怪力出してやっと動きましたが、ローテータを入れるのにあと少し持ち上げがきつい!

えっ?うん?体力落ちたのか!!

後で計算したら、アンテナ 2 本で 20kg、マストが 10kg、合わせて 30kg ありますから、タワーの上での作業、限界点でしたね。

なんとかかんとか無事完成しました!



写真は、タワー上から 50MHz 6エレメントHB9CV(ミニマルチ HB066DXC)、14~28MHz 5バンド2エレメント HB9CV(ミニマルチ HX52A)、50 のエレメントの先に見えるポールが、3.5~3.8/7MHzダブル逆Vアンテナです。15mHです。

ミニマルチのアンテナは無調整で、組み立てできれば OK ですから、良く出来ています。ブームが少したわんでましたが、出来上がればあまり気になりません。

ローカルの JL1PSW 森谷さんに夜交信をお願いし、バックを向けて声を出しました。いつもは 59 で入感ですが、聞こえません。いいとこ 41 でした。
徐々にフロント向けるべく回してゆきますがなかなか信号上がりません。ちょうどフロントに近づいた辺りからぐう~とSが上がり 59+ に。

ええ~!? この切れ味は何ですか!! 未体験ゾーンに入った感じです。

たかだか 6 エレメントごときでカミソリの切れ味というのもオーバーな話しですが、スイスクワッドの時はどこ回しても聞こえていましたから。

やはり私にとってはカミソリビームですよ~

更に電波良く聞こえ飛ぶように、屋上に掃除機をかけお清めして終わりました。

これあと 7~8 年すればサイクル25が始まり(あがるときは急激に来ます)

28MHzのモノバンドカミソリビームあげて思う存分、海外AM通信出来ますよね~

この数年色々実験してきたやり方で TX88A や球式送信機で海外 AM 通信が夢でなくなります。

これは体力維持して来るべき時に備えねばの意を強くしました!

2018 年も AM 通信へのお誘い連載続くようです。

ぐっと敷居を下げて取り組み安いやり方の提案をご紹介してゆきたいと思っています。

1 月号はハム手帳も付録で付きますから是非。

JH1VRS 菅原さんのトランシーバーを VFO にして TX88D を水晶使わずオールバンド AM 送信のやり方ご披露して戴きます。これは必見です。

工夫次第で色々やり方見えてきます。この辺も自作の醍醐味ですね~。


2017/11/28 de JR1KQU 加藤欣一

↑Page Top

VK9MA Mellish Reef DX ペディション

先週から VK9MA メリッシュリーフDXペディションが始まり、10/14/21CWでは既にQRVありましたが、

本日は15時台 に24.930MHz SSBにお出まし、弱いですがビームを向けると何か聞こえています。

少し待ち信号が上がってきた所でコール、スタンバイするとQSBで取れません。何回かコールして、どうも雰囲気的に取ってるようです。直ぐにJA9MWC 神谷さんよりおめでとうのメールいただき、コールバック神戸では聞こえていたようです。

それにしても24MHzで聞こえてくるとは電波は不思議ですね!!

コンディション最低迷期28MHzはまず可能性なし、21MHzにあらず24MHzとは!!距離は6144kmあります。バンド内、この局しか聞こえません。


2017/11/14 de JR1KQU 加藤欣一

↑Page Top

デスカバリー号進捗状況

JA1FT 綿引様に刺激受け、今年最後の3連休はハンダ付けに没頭していました。



ここまで進み、完成のめどがつきました。

今週はTSSに申請する書類書きしますので、工作はお休みにします。
今週はTSSに申請する書類書きしますので、工作はお休みにします。
50MHzの6エレHB9CVも寒くならないうちに上げたいですし。

趣味の合間に仕事している次第でしょうがないですが。まあ、毎日楽しいですからこれでいいのだ。

ってバカボンのパパです。


2017/11/14 de JR1KQU 加藤欣一

↑Page Top

オーストラリアのお兄さんからカードきました。

今年9/28に14MHzAMで交信したTIMさんよりSSB/AM 2枚カードきました。



AMはTX-88Aにアンプつないで50W出力でした。私のアンテナは2エレHB9CVですが、このアンテナなら、世界中の電波キャッチできるでしょう!!


2017/11/14 de JR1KQU 加藤欣一

↑Page Top

CQWW DX コンテスト(SSB)

2017年10/28~10/30 まで台風 22 号の中 DX 界にとっては最大のイベント、CQワールドワイド DX コンテストがありました。1981年 から 36 年間ほとんど参加だけはしています。

コンディションの様子、自分のアンテナの飛び具合など確認するにはもってこいです。

5 月にアンテナ整備しましたが、狭い屋上にゴチャゴチャと苦心惨憺建てているものですから、お互いの影響があります。普段使うには満足していますが、実際にアンテナの性能が 100% 発揮されてるのか、興味のある所です。

7 メガのアンテナがモロに影響を受けている事がわかりました。意外と 3.7 メガの逆 V は当然真っ直ぐにははることはできずループ状に屋上を取り囲み、エレメントの端は 2m まで接近しています。苦肉の策でこうせざるを得なかったですが、一応 λ/2 フルサイズ、てっぺんで 15mH ワイヤーは 3.5 スケの太さを使いましたのでバンド幅は 3550 から 3805 まで SWR1.5 以内に入っています。

今回の飛び具合からしてまずまず完璧動作してます。満足です。

3.8MHz7局
7 MHz12局
14 MHz20局
21 MHz54局
28 MHz10局
合計 103 局出来ました。

いつも、50 局位だけ軽くやる程度ですが、今回は 14~28MHz のアンテナがミニマルチの 2 エレメント HB9CV にしたお陰で、あまり苦労した感じはありませんでした。気ずいたらできてました。

11 月には 50MHz のアンテナをスイスクワッドから、ミニマルチの 6 エレ HB9CV に変えますので、その折 7 メガのアンテナも引き回し方を工夫してみようと思います。

サイクル 24 が終わり太陽活動最低期ですが、そこそこ海外交信も出来ますね~。


2017/10/30 de JR1KQU 加藤欣一

↑Page Top

「麗人号デスカバリー型単球送信機」超速製作 by JA1FT 綿引様

”凌雲号”(2017/08/17 「凌雲号 進捗状況」参照)も未完成のまま、10月中旬に秋葉原で 10W のパワーアンプIC 見つけて、早速回路を書き,ケース作り...まあああ~ここまでは速いんですがねえええ。




JA1FT 綿引会長も加藤方式の製作始まりましたので、ここは気を抜けませんです。

と思ってましたら、完成品がご到着されました。

本日、綿引会長よりオールバンド送信機が送られてきました。
送信機??訳がわからず開封しましたら、ご覧の完成品がお姿を現しました。すぐさま電話して話を伺いました。


私が加藤式単球無線送信機の原図を戴いたのが10/14、1週間程で製作、調整50MHzのみ5Wくらいしか出ませんが、他は10W~15W出ました。
キャリアは5Wくらい入れ、Ig2mA位が具合良かったとの事です。

あまりの速さに驚いています。私の方はようやく変調器のテストが終わった所だというのに。

最終図面が来ましたら、IC式変調器結線してテストしてみますか。


2017/10/28 de JR1KQU 加藤欣一

↑Page Top

ハムフェア2017懇親会の集合写真

遅くなりました、ハムフェア2017の時の集合写真です。

【9月3日、懇親会会場にて】


後列左より JA1UDY/2 三浦、JO1ODG/3 大木、JP2GMR 原、JJ1AZC(JA2UNG)堀口、JR1BPR 西野、JL1PSW 森谷、JI1BTL 水田かおり、JH2EPX/1 宮路、CP1HZ(JE1GFQ)吉田、JR1KQU 加藤、JA2HXR 望月
前列左より JA1VHQ 平野、JR1MVA 杉浦、JA9CJE 東、T8AM(JA9FIO)中嶋 の各局です(お名前の敬称略).

【9月3日、懇親会会場前にて】


後列左より JR1KQU 加藤、CP1HZ(JE1GFQ) 吉田、JJ1AZC(JA2UNG) 堀口、JA2HXR 望月、JP2GMR 原、JA1UDY/2 三浦、JA1VHQ 平野、JO1ODG/3 大木、JH1EAK 寺山
前列左より JA9FIO(T8AM) 中嶋、JA9CJE 東、JH2EPX 宮路、JR1BPR 西野、JR1MVA杉浦 の各局です(お名前の敬称略).

2017/10/26 de JR1KQU 加藤欣一

↑Page Top

久々に海外リポートです

何気に21MHz聞いてみました。

10/26.UA3KW モスクワの VLAD さんが59で良く聞こえてます。CQ JAPAN 出してます。離れた所で 88A に21MHz のキャリア入れて調整しました。

SSB でコール 59/59 です。AM モードでの交信をリクエストしてみました。
こちらから発砲スタンバイしましたら変なノイズが出ていて全く解りません。再度コールして SSB で受信しました所、55 で来てるとのリポートでした。

すぐうえで香港の VR20XMT チャーリーさんが 59+ です。記念局ですかね、AM モード依頼しましたが、できないとの事なのでやむなしですね~

今週末、WW DX コンテストがあるので皆さん調整準備でお出ましされてます。

まあぁぁ、モスクワまで TX-88A の AM 波が 55 で飛んでれば OK1 OK!

楽しいです。

2017/10/26 de JR1KQU 加藤欣一

↑Page Top

海外局にAMモード誘い出しは難しい!?

本日、野良仕事のあと疲れて昼寝。

目覚めて 21 メガ聞くと香港の VR2XYL PANSY さんが 59 です。呼んだら 57 で返ってきました。これだけの強さなら AM 十分いけるのでリクエストしましたが、できませんと言う。いや、リグの AM モードのボタン押してしゃべるだけだと言ったのですが、理解してない。じゃぁこちらから AM で出すから信号聴いてリポートおくれとお姉さんに頼みました。88A でしゃべくってスタンバイしたら、CQ 出してました~

あちゃー~、キッピーさん撃沈です!

今時、AM モードついてないトランシーバーあるんですか?

まぁよろしいが次の機会待ちます。


2017/10/09 de JR1KQU 加藤欣一

↑Page Top

オセアニアコンテスト

この連休はオセアニアコンテストやってましたね。

オーストラリア、グアム、フィリピン、インドネシアの各局と 21/28MHz で 10 局ほどできました。

とりわけ VK4KW さんから 59+20dB で来てる!!と言われたのにはオッタマゲ~ました。相手は 59 位、急に信号強度が上がったんでしょうか!?

夕方、7195 で JR1BPR 西野さんと 59+ でできました。終わって、ハムフェアに熊本から来て戴いた JH6GRR 赤木さんに呼んでいただきビックリです。
その後 JA2FGO 中村さんから呼んで戴き近況報告ですね。言う事きかない送信機があるので手入れ中との事でした。

17 時すぎに 21MHz にもどりダイアル回しているとイタリアの IK4GRO ラウロさんが 59 で入感です!へぇ~ヨーロッパまで聞こえるんだと、あらかじめ TX-88A で 21 メガでチューニングして準備万端、まず SSB でコール 59 のリポートです。

しかも、ひさしぶりだね~キッピーさんと言われ 3 年ぶりかぁ?いや、前回 2010 年だねとの話に。

これは、AM モードいけるぞ!!とリクエストした途端急にコンディションが低下、AM の送信機持ってないとか言ってましたのでまあぁぁ仕方ないかと。

今 18 時前ですがイタリアの信号はまだ聞こえてますね。


2017/10/08 de JR1KQU 加藤欣一

↑Page Top

西崎電機 価格表 改定

西崎電機に久々に注文しましたら値上がりしてました。

価格表を頂きましたので、掲載します。
なお、低圧・高圧トランスは変更有りませんが、再掲します。

【新価格表】





2017/09/28 de JR1KQU 加藤欣一

↑Page Top

オーストラリア、トレジャーハンターの若者と AM 交信できました

9月も終わりますね~パラオから日本人の方が電波出されるとの事で夕方 14MHz で網を張ってました。

17:45 ケニアン島から KH0XG 本田さんが 59 で良く入ってます。14.222MHz で 59/59 で交信できました。
AM モードお願いしましたができないとの事で 10/2 までいますからまたお願いしますとの事でした。

少し下、14.219MHz に VK3TJK オーストラリア Bendigo の Tim さんが強いです。
ショート QSO で日本とやってます。信号はピーク+10dB 振っています。
まず SSB で 59+/59 で交信、すかさず AM モードお願いしましたが、意味がよくわからずもう一度言ってくれと、ゆっくりと繰り返し AM モードで交信したいと伝えました。
OK! といってくれ AM モードの電波が聞こえてきました。
S は 9 振っています。少し変調が浅いかな!? まぁいいや、あらかじめ TX-88A は 14MHz でチューニングしてありますので、シーメンスキー倒してコール、59 で良く来ている事を伝えました。
Tim からは 57 のリポートもらいました。良く聞こえている。キャリアは 7 まで振っているとの事です。自作の送信機で電波出していると伝えしっかり取ってました。
QRZ.com で見ましたら、33 歳の若者でトレジャーハンターを仕事にしてますね。儲かるのかアンテナ、シャック豪華です!
腐っても鯛とは言い得て妙です!

14MHz なら太陽黒点最小期でも楽々海外局と AM 通信楽しめますよ~


2017/09/28 de JR1KQU 加藤欣一

↑Page Top

初秋の夜の出来事

9/8 22 時過ぎ、JN3ONX 神谷さんよりメールが入り、14.200~250MHz まで FR(レユニオン)アフリカ マダガスカル島のそばが束になって聞こえてますよ、と連絡をもらいました。

なんかゾロゾロ聞こえてますね!

やはり太陽フレアの大爆発の御利益でしょうか!!

そうこうしてるうち 14.255 で A61SM アラブ首長国連邦と 59/59 で交信できました。

強かったですから AM でもできたと思いますが如何せんパイルになって全国から呼びたおしてますから、AM モードリクエストはとてもとても。

そのうちバーレーン A92GE が 14.260MHz で 59+ で入感、パイルが凄くとてもじゃないが歯がたちそうもなく、しかしこんなに強く聞こえてるのに交信したいなぁ~

ふと、JP7CZE 川辺さんが QRP 5W でやる時タイミングをずらしてコールすると結構出来るもんですよ!と言われてたので、軽い QSB があったので上がって来た時に呼んでみようと狙い撃ちしました。キング クィーン ユニホーム 取ってくれました。JA1 と取ってるので JR1 ですよと繰り返し、QSB の谷で取れないもよう、周期を見定めて何とか交信出来ました。
弱小リニアとアンテナでやるには小技が必要です。

24 時少し前にパターッと中近東各局の信号が消え失せました。
コンディションの急変!?

多分、お祈りの時間なんでしょう。彼らは宗教に命かけますから、24 時過ぎて ZS6OPJ 南アフリカ V51WW ナミビアが聞こえ出しました。

太陽黒点最小期の太陽フレア大爆発!海外通信愛好家には嬉しい秋の夜長でありました。


2017/09/09 de JR1KQU 加藤欣一

↑Page Top

9/8 16:04 JST A31MM トンガ王国の首都より中村さんがSSBで59で入感してます。

太陽フレアの大爆発があり電波障害があるやもとの話でしたが、21MHz は凄いコンディションでした。SSB でつながった後AMでお願い、初めてだったようで、この周波数でいいんですか?と言われるのでこちらからここで呼びますからと、TX-88A に切り替えリニア入れて 80W 位で呼びました。59/55 でした。

距離 7900km アンテナ方向は 135 度ラッキーでした。トンガの設備は 500W に 2 エレ HB9CV との事です。QSLマネージャーは EA5GL です。

少し前には、18MHz で南米チリがかすかに入感してました。

ところで、その後 16:42JST に、山形の JP7CZE 川辺さんは、なんとなんと! 5W QRP とダイポールアンテナ で 59/53 で A31MM と交信できたとのことです!


2017/09/08 de JR1KQU 加藤欣一

↑Page Top

2018 年ハムフェアーに向け、各局始動

皆さんモゾモゾ活動開始されました。

静岡 JA1UDY/2 三浦部長は、トーキョーマートクラブのブースで見つけた IF フィルター大量仕入れにむけ、 OM さんと連絡がつき目標達成。
JR1BPR 西野部長は先日不運にもスズメ蜂と鉢合わせしてしまい、直撃を受け大変な事故にあってしまいました。

そんな中、ハムフェア中に JR1BPR 西野部長と JA1UDY/2 三浦さんが談義中に、 AM チューナー用 IC の話題になり、JR1BPR 西野部長は手持ちの IC をサンプルとして送付する約束していて、間もなく送付するのだそうです。
送付する IC は、SANYO の「LA1247」と NEC の「μPC1215V」の AM チューナー用IC 2品種と SANYO のフロントエンド用 IC「LA1170」(別添写真のもの)。




受信機用 IC と F-99X AMステレオ受信機の回路図(IC下の回路図)

さてはて、どの様なものが出来上がるかレポートを期待しています。

三浦さんは小雀号がアチコチで賞賛の嵐を受けてすっかり気を良くしてられますので、西野さんより新デバイスが入ったら、是非、次回作は光波無線のトランシーバーのレプリカを作品にして欲しいとリクエストしています。
ヤフオクで出てくると、びっくりする数の入札があり高値で落札されています。



光波無線の光波トランシーバーの雑誌の宣伝(1975年)

当時のB級トランシーバですが皆さん懐かしさが先行されるようです。

見た目そっくり、奥行き浅めで場所をとらない設計にしていただけるといいかなと。
そのようなケース作りは私が得意ですから発注ください。

三浦さんの蛇の目基板シリーズは実用性がありますから、懐かしいお飾りにあらず、QRP3Wでも59で時折聞こえてきますからね!!楽しみです。

私は今年の初めに熱にうなされたように、双三極管 12BH7A 単球の超再生トランシーバー「鳶丸号」を作りはじめましたが、どこまでやったか訳わからず状態です。



製作中の鳶丸号、中身はこれからなんですが...

ポケモンGO 1ヶ月以上つづけてプレーするとストレスが減ったという調査結果があるようですが、我々は何10年と好きな製作続けているわけですから、ストレスが逃げていってますね。

好きなことにのめり込むのは一番の薬でしょうね。


2017/09/08 de JR1KQU 加藤欣一

↑Page Top

2017年ハムフェア速報、2日目

初日、懇親会すんで戻りましたらオールアジアコンテスト(AAコンテスト)やってるではないか!!
今年はハムフェアがなぜAAコンテストと重なる日程なのかはなはだ疑問です。
JARL 主催コンテストなんですがねぇ?

それはともかく、2日目は 9:30 頃にブースに到着してスタンバイ。最初に見えたのは、アマチュア無線黎明期からの生き字引、 JA1BRK 米村御大です。



JA1BRK 米村OM と JR1KQU 加藤

アマチュア無線黎明期の話から色々うかがいました。現在このようにバンドでアマチュアに割り当てられているのは、長波はパワーを入れればダクト?のような伝搬で遠くまで飛ぶ事は解っていましたが、短波はどんなものか解らなかったそうです。

アマチュアが実験繰り返し、当時電離層の存在もわからず、実体験を通して、これは使えるぞ!周波数が上がるほど遠くまで電離層反射で交信出来る事が解ってきたんですね。

戦時中のアメリカ軍と日本軍の無線機のレベルの差について、よくもまあ戦ったもんですよねと私が言いますと、当時の裏話を聞かせていただきました。

じつは 2000 年 1 月号 CQ 誌 P.153 に 14MHz 用の W1JR タイプの八木アンテナの記事を米村 OM が書かれていて、万歳アンテナの限界を感じていた私はすっかり気に入り 28MHz 用にスケールダウンして作り、まだ DX コンディションのいい時期でビームアンテナの世界を堪能できました。耳がダンボのように良く聞こえてくると、アメリカからのか細い局の信号もはっきり聞こえ、CQ 出すと 10 局位次々と呼ばれるという不思議な体験談がありますので、ご本人と面会でき感激でした。

その後も途切れる事なく、皆さんにお越しいただきました。QRP クラブの JA1IXI 大和田 OM より、プレート電圧 1.5V の電池管オートダインで 7195 聞いてますよ~。ええぇ!? 更に、76 という真空管、これだとプレート電圧0Vで働きますとのお話。思わず写真など資料下さいとお願いしました。
私の今年のテーマ「空想科学通信」を地でゆく話じゃないですか。

無線の話は面白いです。

また、今年初めて遭遇しましたが、「50年先までアマチュア無線を残すにはどうすればいいですか?」と首からパネルをぶら下げてる 10 代の若者がいました。またこれは壮大なテーマだなと彼と話をしました。

ジイサマの若かりし頃は 6WC5 のワイヤレスマイクを作り、違反ですが電灯線アンテナつないで 2km も先の友達と宿題やったりとか、ポンコツ送信機で遠くと話ができる。

今の携帯でお話するのを自作の無線機でやってた訳で、そこが違うから、やはり自分でこさえて実用品になる工作の経験が必要ではと言っておきました。

ただ作るやり方が解らないですと、ポツリ言ってみえましたね。自分の興味わくテーマなら自分から進んでとりにゆくはずですよね。

昼過ぎに熊本県玉名郡(大牟田市の近く) より JH6GRR 赤木さんが寄ってくれました。7195、3757MHz AM に出るべく、まずアンテナの整備が終わった段階で仕事で山梨に来ており、10 月から地元に戻って QRV が始まるようです。



左よりJH6GRR赤木様、JR1KQU 加藤、JO1ODG 大木様

伺うと熱心な AM ファンの方で、JA6EUU 今村さんとは県は違えど近いので、是非ともお会いしたいものですと。

我々ジジイは 50 年後の話は想像もできませんが、せめて今の AM 送信機をオールバンド送信可能にしておけば、次期サイクル 25 ではワールドワイドに楽しめる事は明らかです。

その日目指して無線機作り、遊びネタには困らないでしょう。

それから、小野里さんのお話では、彼が感動したのはホーキンス博士とそっくりの 車椅子の 少年が 見学にこられたということです。
お母さんが手話で通訳してくれ、とても 熱心に 聞いてくれました。電波のもとは水晶ですから、削って周波数を合わせる技術は見ていて感動されたのかも。(小野里OMのおおらかな万人を受け入れるお人柄によるのも多いと思います。)

小野里さんとは年一回ハムフェアでお会いするだけで風のごとく現れ消えるので、機会あれば懇親会にもお越しいただきたいものです。

あと、会場を常置場所とする HAM フェアー記念局 8J1HAM 局、7195 AM あるいは50 MHz AM でやりたいねと。局の運用受付に偵察に行ったら、JARL会員証と従免を用意して朝早くから列ばないとダメな模様。来年は、先発隊が朝早くから列ぶようにして、7195 で 8J1HAM の AM 信号を、会場から日本中に届けたいものです。
JO1ODG 大木突撃隊員、2018年のハムフェアーは準備をぬかりなく!


2017/09/05 de JR1KQU 加藤欣一

↑Page Top

2017年ハムフェア速報、1日目

2017年のハムフェアは、9月2~3日、ビッグサイトで開催されました。今年はお天気に恵まれたのとライセンスフリーの若者が多かったせいか去年より 2,000 人多かったそうてす。

AM同好会のブースには、設営総監督 JA9FIO 中嶋さんを中心に、 1 年で確実に 12 枚増える CQ 誌に連載中のカラーページを、例年のごとくブース壁一面に貼りだす事にし、古い記事はテーブルの上に並べて、手に持ってじっくり眺められるようにしました。



ブース全景

初日、もうすっかり恒例となった JE1EKH 小野里さんによる FT243 水晶研磨の世界の実演は、始まりと同時に黒山の人だかり。夕方までず~っと人が途切れることなく、まさしく日本のわびさびの世界を見せていただきました。外国人さんの見学者も多かったですよ~。



英国からの方も見学、水晶研磨

小野里さんに、いやはやもう水晶研磨はライフワークですね~と声かけましたら、お姉さんに遊んでもらえず眠れない夜は、シュッシュッと研磨すると心が澄み渡り、世俗世界から解き放たれるそうです。

う~ん、なんともまあ、自分の好きな事やって遊ぶのが精神衛生上宜しいということですかね。

すぐそばでは、私が水晶使わない実戦的オールバンドAM送信機の提案!リポートを皆さんに渡し、是非試して下さいと!!

こちらは B 級(B 級グルメの B 級)送信機てんこ盛りです。

サイクル24の終わり頃28MHzAMで私が交信出来た外国局のカードも展示しましたが、AM のブースの向かいがデイトンハムベンションのブースで、K4ZLE Jay さんが熱心に写真撮っておられました。知り合いかも知れません。

アジア地域からは南京より BY4RWT クラブ局の若者達、インドネシアの YB8BAF、同じく日本語ペラペラの YB8BRI ラヒムさん。今度 AM で交信出来ますね。

CQ 誌やこの HP を楽しみに見てますよ~と声をかけて戴ける方が多く、皆さん懐かしい真空管遊びには思いいれがあるようです。



CQ誌の常連執筆人

17時過ぎに会場を離れ、ワシントンホテルの 1 階ジョージタウンで懇親会を楽しみました。

食べ放題、飲み放題で瞬く間の2時間でした。途中から CQ 出版の槻木澤さんも合流、常連執筆陣も大勢いらっしゃいますのであちこちで熱心に会話されてました。

皆さんと次期執筆打ち合わせでしょうか!

ちょうど散会時間に、水戸市のコミュニティーFM放送局「FMぱるるん」のパーソナリティ、そして、演歌歌手として幅広く活躍されてる水田かおり(みたかおり)さんがいらっしゃいましたので、集合写真をリクエスト。やはり華やいだYLさんが一緒に入ると、我々ジジイも顔が緩みっ放しですね~

よくもまあ、むさ苦しいジジイと撮って戴いたもんです。水田かおりさん、輝いていますよ!! グッド!

初日、これにて終了


2017/09/04 de JR1KQU 加藤欣一

↑Page Top

アメリカ製ハイパワー AM 送信機の資料 by JR1BPR 西野技術部長

ハムフェアー初日、JR1BPR 西野技術部長より伺ったアメリカ製ハイパワー AM 送信機について資料を転送戴きました。

    【参考資料 その1】
    昨日話した、Heathkit の TX-1 の回路図と概要を送付します。




    ファイナルの 6146 × 2 のグリッドの部分にモードスイッチがあり、CW と AM は、内部のドライブ(5763)から励振がかかり、SSB モードの時は、5763 の出力を SB-10( PSN 方式 SSB エキサイターアダプタ)への出力となり、SB-10 からの出力が 6146 × 2 のグリッドへドライブされるようになっています。

    この辺の所を、リレーでも使って AM 時に外部から入力できるようにすれば、加藤さんの方式と同じになります。

    【参考資料 その2】
    こちらは、ジョンソンの Desk Kilowat です。



    こちらこそ加藤さんの方式と同じ考えでできています。
    CW と SSB では、リニアアンプとして動作させ、AM の場合は、内蔵している 810 プッシュプルの変調回路でプレート・スクリーングリッド同時変調を行っています。

    スクリーングリッドへは、直接変調出力は与えず、L202(12H)チョークコイルを挿入して、プレート電流の変化でスクリーングリッド上に静電誘導で発生する電圧で変調がかかる方式でやっています。
    変調管 810 は、Johnson Ranger の変調器の二次側に DC バイアスを重畳してドライブするようにコネクタケーブルで接続されます。
    モードは、AM-Low (入力300W)と AM-High (入力1kW)があるようでが・・・・

    デスクサイドに組み込んだことが異なりますが吉田さんのシステムに非常に似た ものですよ。

    【参考資料 その3】
    現物は持っていませんが概要がわかるようにマニュアルから抜粋してこのようなものを作りましたので送ります。






    JR1BPR 西野


2017/09/04 de JR1KQU 加藤欣一

↑Page Top

2代目TR1000 & オスカ-ブロック BS-1000 のレストア by JH1VRS 菅原裕彰OM

JH1VRS 菅原裕彰OM よりお便りをいただきました。

    JR1KQU 加藤様

    今年のハムフェアはお天気が心配です。私は仕事の都合で行けるかどうか?てところです。シャ-シ-穴あけからの自作してないので古い機器をレストア・改造して遊んでます。



    6m AMでのラグチュウで使用しているパナスカイマーク6


    2代目TR1000使用中のTR1000HC-6Uの水晶ケースにHC-49Uを挿入


    写真は50MHzのAM機器(現用機)ですが晩酌のツマミにして下さい。
    TX88Dも現用機ですがやはラグチュウにはTR1000・パナスカイマ-ク6と6mトランシバ-も面白いですよ。

    珍しいのはTR1000の専用みたいなBS-1000というS2001のリニアです。
    オスカ-ブロック製。ハムセンタ-からもデザイン変えて販売していたみたいで、広告は私が初めて載ったコ-ルブックにありました。ちなみにヤフオクのリサイクルショップで落札、本体写真(中身なし)と説明は「BS-1000ジャンク」のみ。価格は私だけ入札で2K円。修復はSW・リレ-・ソケットの接触不良、パラドメ断線。その他トランシ-バ-用の電源が内臓されてるが全波整流のみのため秋月の定電圧キットを挿入。”虎千”でドライブして出力は10W。真空管交換してません。今のところラグチュウで使用してトラブルなし。



    オスカ-ブロック製リニアアンプ BS-1000


    JH1VRS 菅原


2017/09/01 de JR1KQU 加藤欣一

↑Page Top

TX-88D 200%活用術 by JH1VRS 菅原裕彰

JH1VRS 菅原裕彰OM より、TX-88D 200%活用術のレポートをいただきました。

    数年前7195kHzAM交信を耳にし自分もやりたくウズウズしだしました。
    自作でゆくか中古送信機購入か思案、魂のおもむくままTX-88Dをゲットしました。

    さてさて、動作させる為には水晶かVFOを用意、受信機とキャリブレして……トランシーバーはIC-706がある、何かうまいやり方はないものか!
    脳みそグルグル~ピカチュウ!トランシーバーをVFOに使い、変調器付きブースタ方式が閃きました。

    トランシーバーで受信、送信はキャリアのみ利用、88Dでプレートスクリーン同時変調をかける!

    終段S2001
    変調器はそのまま利用エキサイタ(IC706)から最小パワーに絞りゆけるんじゃないか!と見当をつけ配線を眺めるうち、ドライバー12BY7Aの+Bを切断入力同調回路はドライバの出力回路を使用、バンド切替で3.5~28MHzは10W 18/24MHzも同調がとれ7W位、50MHzは5W出ました。
    モニターした所88D特有のハムが出てるので変調基板のヒーター回路変更(ネットでお馴染み)を実施、電源回路の平滑ケミコンを交換ほぼハムはなくなりました。

    30年前のアドニスのアンプ付きコンデンサマイクを使いましたら変調も深くすっきりに(音は好みがありますので色々試して下さい)。

    以上の方法でキャリア外部入力とVFO/水晶発振をリレーで切替可能にできました。

    SW+表示LED増設、オリジナルを壊したくないので内部に取り付けました。

    ONで単体送信機として動作 水晶またはVFO 発振逓倍の2本挿入
    OFFで外部トランシーバー入力 変調器付きブースタ
    発振逓倍の2本は抜きます

    真空管差したままの方法も検討しましたが真空管自体に容量持っているのと、無駄な電力使わない為このやり方にしました。
    エキサイタとのスタンバイケーブルを作製して下さい。

    既存のAC12Vリレーの接点不良が多くブザーみたくなるので2個とも交換DC12V駆動してます。

    各バンドの調整においてはモニターして変調具合を確かめダイアルに印付けておくと便利です。

    改造回路図は思い出しながら書きましたので参考にして下さい。(もっと良い方法があるかも知れません)











2017/09/01 de JR1KQU 加藤欣一

↑Page Top

2017年B級送信機研究レポート ー Super-TX-88A ー

いよいよ明日からハムフェアーです。
以下のリポートをハムフェアーで配りますが、来れない方へ一足先にお知らせします。



2017年B級送信機研究レポート
ー Super-TX-88A ー

2017/09/01 de JR1KQU 加藤欣一

↑Page Top

TS-670用AMフィルター ー AM魔界探訪 川島流古いリグ活用法

A6SZC 川島和人さんからのお便りです。

TL-120懐かしいですね!!

    最近、昔のリグ(TS-670)を引っ張り出してAMをたのしんでいます。

    本来ならば、HFでは AM は送信できませんが、コントロールユニットの D-54 をカットすると、HF の AM が送信可能になります。(89年ラジオライフ別冊より)

    出力は 4W 程度なので、TL-120 を付加し 20W 前後で運用していますが、受信時はSSB フィルターを通るので聞きづらく、FCZ コイル 3 段でやりましたがあまりにも広帯域で使い物になりません。

    あきらめかけていたところ、ネットオークションで TS-820 のジャンクを見つけ、格安でゲット。


    SSB キャリア Xtal を利用し図のようなフィルターを作りました。
    測定器は大昔の SSG があるだけで正確な特性は解りませんが、大陸放送の混信はカット出来ています。

    なお FT-101 用のフィルターは現在調整中です。

    参考 1969年アマチュア無線ハンドブック(P-134)、TS-820 IFユニット回路図


    de 川島和人 JA6SZC


2017/08/22 de JR1KQU 加藤欣一

↑Page Top

夏休みの工作その2

小学生の夏休み工作じゃないですが、凌雲号を作りつつ、8/12日より、ジャンクの片付けをやっております。

3年ほど前にハムフェアで販売用ブース出されてるOMに頼んで随分処分してすっきりしたはずなんですが、知らない間に物が増えてます!
アワワ、一念発起、随分捨てまして、売れそうなジャンク品をまとめて箱詰めしました。

ナンダカンダいるいらない確認しながらやってると2007年に作った単4電池1本でスピーカがなるラジヲが出てきました。
全然使っていなくて当時は熱にうなされたように作ったのに飽きっぽい性格ゆえ・・・夜中枕元で鳴らしてみました。25mWしか出ませんが寝ながら聞くにはちょうどヨシ!です。

2~3日聞いていましたらムムムとスイッチが入ってしまい、このように変身してしまいました。

電池一本でスピーカーの鳴るラジヲ
(2007年製作)
電池一本でスピーカーの鳴るラジヲ
(10年後の変身)
内部の様子
(内部は変身していない)

どうも今年はグレーカラーにはまってますね~

中身は100円ショップで売られていたTA7642/RF増幅/検波とS9014トランジスタ2個でイヤホンを駆動するストレートラジオでライター位の小ささのラジオでした、バーアンテナも随分小さいもので試しにスピーカーつないだら鳴ったです!

私はNHK とTBSしか聞かないですが、ラジオ日本まで全部入ります。

昔中学生の頃、ゲルマラジオ作ってアンテナとアースつけた所ガンガン聞こえるので試しにスピーカーつないだ事ありました。か細い~音で聞こえました。

それよりは遥かに良く聞こえますよ。

アタマにドラえもんのタケコプター風の羽つけましたらあっ!これでいいと思ったまでです。

都内で電界強度が強いですからできたのかも、こんな遊びばかり気の向くまま風のふくままやっとります。
枕元には DSP ラジオは FM東京(ジェットストリーム聞くよう)、3石ラジヲで NHK、防災ラジオで TBS と3台並べてスイッチプチプチやって楽しんでます。同調取り直しが面倒くさいので。

2017/08/20 de JR1KQU 加藤欣一

↑Page Top

凌雲号 進捗状況

凌雲号、ここまで進みました。

今年の夏休みに完成させるつもりで始まりましたが、とりあえずここまで進みました。

アルミ板をガリガリは全て完了、配線を残すのみです。


配線図はJL1PSW 森谷さんにパソコンで綺麗に清書してもらいました。手書きよりかなり見易くしてもらってあります。

手書きのオリジナルJL1PSW 守屋さんに清書してもらったもの

すでにTX-88Aで同様のやり方で使ってますが非常に操作性が良く、SSBからAMへの切り替えが、なんちゃって方式と同じ位の手軽さでほぼ瞬時に切り替え使用出来ます。

7195のAMだけなら水晶発振でいいんですが海外局とSSBで交信していてコンディションがいいのでAMでやりませんか?とリクエストする場合は速やかに切り替えが必要でなんちゃって方式が一番簡単ですね。

だけど真空管式AM送信機でやるにはまずどこの周波数でも出れる事が必須条件、それには現在お使いのトランシーバーをVFOとして使うのが合理的であります。
今、聞いてるそのままの周波数で送信出来ます。当たり前です。(その昔AM電波が飛び交っていた頃はVFOだと動いてどうしようもなかったですが、時代は流れ今のトランシーバーはまず周波数動きません。それに当たり前に慣れてしまってますから)

私は一台目のオールバンドAM送信機 麗人号を作ったのは、28MHzで海外局とAMで交信したかったからです。
2011年11月の朝29.020MHzでCQAMを出してアメリカの局から59のリポートをもらったのが始まりですがあっという間に、サイクル24は終焉を迎えてしまいました。

麗人号の弱点はSSBからAMにするのにトランシーバー付属のATUで同調取り直すため3~5秒かかりました。
今回の凌雲号はその点最速で、ATUのボタン押して外すだけです。

いま、皆さんがAM無線機を作って楽しんでられるのは、少年時代に消化不良のまま、気がつけばSSBの世の中になってしまい、昔やり残した真空管式送信機を大人になった今もう一度おさらいしてみたい方が多いからですよね。

今回たまたまうまいやり方が見つかり、日本一レベルの低い簡易型送信機が誕生間近でありますが、実用性は200%凄いぞ!

なんたって送信出力10Wに対して変調器は20Wですから、馬鹿でかい音がします。了解度が極めてよしです。

さらに、リニア付加して、πマッチングの調整で50~200W 可変自在です。

これで、サイクル25でもうひと遊び楽しめる準備ができたというものです。

やるなら28/24/21MHz、50MHzでは海外局の入感頻度が短いし、JT65では皆さん巨大リニアでお出まし、しんどいその点28MHzなら10Wでも地球の裏側まで飛びます。

ひょっとしたらサイクル25でAMDXCCできるかもしれない。

凌雲号うまく動作しましたら、ずっとAM通信のホームページでお世話になってます、JP7CZE川辺さんに進呈するつもりでおります。
    (あれま!? 聞いてませんでしたぞ!嬉しいです.アリガト!!! by HP管理人)
サイクル25目指して皆様一緒に遊びましょう!

2017/08/17 de JR1KQU 加藤欣一

↑Page Top

ハムフェア極秘情報

富士山一郎様よりブースは出されるのですが、海外青年協力隊の集まりとバッティングして、懇親会の参加は無理との事です。 AMの皆様に宜しくお伝え下さいとの事です。併せておいしい情報いただきました。

(1)Wのアンティークラジオから1950年代ぐらいまでのラジオの資料が10CMから15CMのファイルシリーズで12冊ほどありだいたいWで製造されたラジオの全機種が載っている資料がありますので、回路図の他詳しい説明も載っていますので希望機種があればコピーなりメールなりで送ること可能です。
中身は全メーカーが各ファイル毎にアルファベット順に整理されていますので探すことは楽です。

参考までに何冊かをハムフェアーに持って行く予定です。

(2)VKのMelodyというメーカーの箱入り未開封の真空管のステレオアンプ
2A3、300Bシングル、PP.6CA7PP,KT88PPモノラル、ステレオがたくさんありますので5分の1くらいの値段で段取り出来ます(100台以上)。
他に6BQ5PPの箱入り未開封ステレオアンプなども(100台以上)あります。まだ整理の段階ですので台数が出る前ならば格安処分可能です。

とのおいしい情報いただきました。変調器に使えますから計画中の方は是非、TRFのブースにお立ち寄り下さい。

2017/08/13 de JR1KQU 加藤欣一

↑Page Top

製作中単球送信機 凌雲号 です

今年たまたま手に入れたTX-88Aで、このやり方を思いつき、実験したところ非常にうまく動作しました。

50.500MHzAM で JH1VRS 菅原さんと交信、同じやり方でうまくゆき、水晶とトランシーバVFOは、リレーで +B を切り替えされてるそうです。

すっかり虜になってしまいました。今年の夏休み始まりです。

夏休みの愉しみ、途中経過写真です。








2017/08/13 de JR1KQU 加藤欣一

↑Page Top

ペルセウス星特殊電波伝搬解説

ペルセウス座流星群は普通のEスポの規模の小さいもので、流星の元となる物質が大気圏に突入する時、燃えてイオン化して、ちょうど E スポの小規模なものになります。

ただペルセウス座のは、流れる量がコンスタントに多く、それで MS がよく出ます。

1999 年だったかのしし座流星群はすごかったです。
ずっと E スポが開けている感じでした。

空が雲って流れ星が見えなくても、ビーコン(伊勢の IGY とか、50.027 の福島とか 50.016 の宮崎とか)が聞こえるので、流れているのがわかります。

HRO という流星散乱の研究分野もあります。この流星群に関連した近距離 E スポは、極大日の 2、3 日後がよく出て、今年は 12 日が極大なので、14 か 15 が要注意です。

女の子に、「空が曇っていても流れ星が流れたのがわかる方法があるんだよ。」と言ったら、感激して、是非それを聞かせてというので、車で連れ出す。

HB9CV で十分です。

2017/08/12 de JR1KQU 加藤欣一

↑Page Top

真夏の特殊電波伝搬

50MHzマンの皆さんは日本全国移動運用、雨にあったり暑さムシミシする中パイル受け頑張ってるようです。

私はそんな元気ないので今日からの夏休みは送信機作りに没頭します。
パネルの穴あけは完了したので塗装にかかりたいと思いますがお天気が悪いようで。

今日から明日にかけて、ペルセウス座流星群のピークなので、各バンド近距離Eスポ要注意です。

ハイバンドAM通信も楽しめるでしょう。

2017/08/12 de JR1KQU 加藤欣一

↑Page Top

新スプリアス規定対策用LPF の製作

この度、私達の母校 JA2YAL 津高校スーパーサイエンスクラブ再開局にあたり、50W 申請用のリニアに付加する LPF を JA1FT 綿引さんに設計製作していただきました。

 :

本来はバンドパスフィルターが必要なのですが、一般には LPF が大半のようです。

今回送信出力が 100W 、最低3段で -50dB のフィルターを作っていただきました。

黄色のコア -T-68♯2、エナメル線は電流を考慮して 0.7mm とし、コンデンサはチタコン 2kV とデップマイカ 500V 混合で調整。

スペアナでご覧のように、-50dB 取れてますから、平成17.12.01 以降に製作した自作機の場合の新スプリアス規制に対応しており、既に -40dB はクリアー、さらに π型LPF で -20dB 付ければ -60dB になり,合格点です。



今回の -50dB LPF 付ければ楽勝で、申請出来ます。

7MHz 以外のバンドの LC の値は表の通りです。



参考:

2017/07/28 de JR1KQU 加藤欣一

↑Page Top

IC-71のPTT不具合について。

50MHzAM移動運用に40年前のIC-71を修理しながら使っている方から、『マイクのPTT押した後一呼吸してから送信になる、似た現象がFT-817でもある。アドバイス戴けたら嬉しいです。』との質問がきました。

そこで、AM 通信技術部長の JA1UDY/2 三浦さんにお願いして、アドバイスを戴きました。


    ICー71 の PTT の反応が遅いとの件ですが、原因として考えられるのはリレーかもしれません。接触不良による動作不良とグリスが固くなったりで動きが鈍くなることです。
    動作不良の大半はリレーの接触不良です。
    接点の抵抗値が高くなり、流れる電流が安定するまで時間がかかるのかもしれません。またリレーの動きが鈍くなっているため、動作が遅れているのかもしれない。
    古いリグはリレーの接触が悪くなっておりますので、交換するか、またはハガキなど厚手の紙でゴシゴシこすって接点を磨く事です。

    RJX601 で以前動きが鈍いのがありました。リレーの動く所の支点部分がかたくなっており、ミシンオイルをわずかに付けて解決しました。

    FT-817 もリレーをいくつも使用しております。FT-817 はパーツが小さい為に手直しは無理かと思います。

    他に TS-830 では水晶の不良がありました。それと同調回路の同調ズレによる少し経つとレベルが正常になるという症状がありました。

    件のIC-71 は配線図及び資料がありませんのでなんとも言えませんが、リレー及びマイクのスイッチが怪しい気がします。私の経験から述べさせていただきました。

    あとはテスターやオッシロでチェックするしかありません。

    以上です。よろしくお願いします。


2017/07/27 de JR1KQU 加藤欣一

↑Page Top

JARL沖縄支部主催807送信機コンテストの副賞その2

沖縄産完熟マンゴーが本日届きました。
春には副賞その1真空管813を戴き,夏にはマンゴー、豪華副賞にニコニコです。ありがとうございます。

早速夕食に戴きました。上品な甘さ沖縄の香りよく一口食べるつもりが瞬く間にペロッと完食、慌てて写真撮るのも忘れてしまいました。

冷蔵庫から取り出し記念撮影しました。


JR6GV 平良支部長のお話では、次回コンテストは受信機の予定らしいです。
JARLニュースで広報されますからチェックして、皆さんで参加しましょう。(なんたって、副賞が豪華です。)

2017/07/25 de JR1KQU 加藤欣一

↑Page Top

今週の神RCスケジュール

JN3ONX 神谷さんより AM ロールコールのお知らせです。

     今日は交信ありがとうございました。7MHz で聞いた声とまた少し違いますね。(以前交信したときは麗人号)神の変調よりやっぱり重厚ですね。
    神(JA3XQO 竹中 OM)は、どちらかというと男声合唱団系でしょうか。

    今週の ロールコール です。いあん(JP3EAN 山添さんの、神谷さんの呼び名;HP管理者註)の分も入っています。4日前リマインダーです。

     以下,神からいただいた情報です。


      ■[文月最終回の金曜も4バンドAMでロールコール!!] リマインダー

      開催日:2017年7月28日(金曜日)
      日 時:午後 8 時 00 分 - 午前 00 時 40 分 JST(GMT+09:00)
      詳 細: 前回のロールコールでは、関ハム会場でのPR微妙に効果ありと判定させていただきました。その後を受けて、今週も南大阪A3ロールコールなど「金曜西日本ロールコールアワー」の各ロールコールを、7/28/50/430MHzの4バンドAMにて決行します。

      さらに、今回もWires-Xは28/50/430MHzで使える可能性が高いです。みなさん、チャレンジしてみてください。

      ●7/28 20:00-20:45
        28.710MHz±AM
        大阪府高槻市から
        キー局:JA3XQO/3

      ●7/28 20:30-21:00
        7.185MHz±AM
        大阪市旭区から
        キー局:JP3EAN

      ●7/28 21:00-23:45
        50.550MHz±AM
        大阪府高槻市から
        キー局:JA3XQO/3

      ●7/29 00:00-00:40
        430.410MHz±AM
        大阪府高槻市から
        キー局:JA3XQO/3

      ※体調や仕事の都合により、運用場所・運用時間は変更がありえます。

      もし、7/28(金)夜に、この他にもAMで運用してくださる方があれば、ご連絡ください。リマインダーを書き換えようと思います。とくに、14MHz・21MHz・144MHzなどにて同時並行でロールコールをやっていただけるとおもしろいのですが...orz

      なお、南大阪A3ロールコール等は、スタートしたときからクラブ制や会員制は一切取らずにやってきました。どなたでも参加大歓迎というオープンな性格のロールコールでして、みなさんのチェックインをお待ちしています。

      DE JA3XQO   

    DE JN3ONX 神谷
ハイバンドAMでれる方は是非トライしてみて下さい。

2017/07/25 de JR1KQU 加藤欣一

↑Page Top

JN3ONX 神谷さんと 21.154MHz AM で交信出来ました。

7/24 16:28 JN3ONX 神谷さんから 1 エリア開けてますが 21MHz 出られますか?とメールをいただきました。外出から帰ってましたので早速 TX-88A の電源を入れてスタンバイ、まず SSB でコール 59/59 です。すぐに AM にしましょうと 88A でコール。コールバックする神谷さん、キャリアは聞こえますが、変調がちょっと解らない感じ。こちらの 88A の電波は届いてるんでしょうか!?

すぐに SSB に戻して交信しました。
こちらの AM 波はどうでした!?と聞いた所、神谷さんより大変 FB なリポート。 今日の TX-88A は、ばっちり。それこそ昔の DX はうなりを上げて北米に飛んでいったらしいですが、そんな重厚な変調。もし関西 AM ロールコール中にバンドが開けたら、神も呆然でしょう、とのことでした。(神とは JA3XQO 竹中 OM、ロールコールの連続記録を続けている方の事です)

JR1KQU の装置は TS-570 からキャリア 5W を TX-88A の VFO 入力に入れた AM 波を、リニアで 80W 程に増幅したのものでした。繰り返し各局から FB な変調リポートいただきますと、ますます、TX-88A は現役で使える事が実感出来ます。
なんちゃって方式に非ず、プレートスクリーン同時変調の醍醐味が味わえます。
しっかり変調深いと、SSB モードで受信しても AM モードで聞くのと同じように聞こえます。

一方、JN3ONX 局は、まだ海外交信もコンディション良かった頃は地球の裏側パラグワイとも AM で交信されてますが、今日の設備は、FTDX3000 で AM 換算は 20W くらいです。本当はもっと出るんですが。アンテナは、色々迷った挙げ句、HB32SX という当局と同じお狐さま(ミニマルチ)の HB9CV のトライバンダーです。
ただ、短縮率が大きいし帯域が狭いので、28 を除いてチューナーがいります。
少し回り込みがあるのか動作が万全ではなかったようです。

ちなみに、関西 AM ロールコールは、毎週金曜日 20 時から、28.710MHz で開催です。
是非、今週トライしてみたいですね~

2017/07/24 de JR1KQU 加藤欣一

↑Page Top

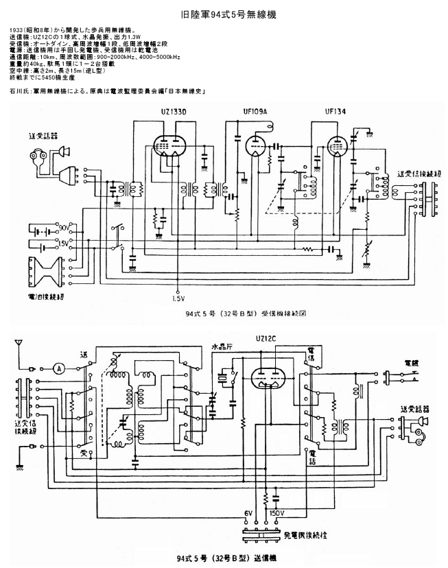
94式5号無線機の動態保存、JA2IIN 中西さんにトライして戴けます。

7/23 午後、今年2月号のカラー写真で紹介した 832A CW 送信機の作者、JA2IIN 中西先輩と、目白の寿司屋で情報交換 4 時間ほど話ました。ちょうど昼食時、次から次にお客さんでしたが,お開き時にはもう誰もいませんでした。
しゃべっに夢中になっていると、時間の進み方が私らの席だけ、違う次元に迷い込んだ感じです。多いに笑い、高校時代の話から大人になってからの話、いくら話ても尽きないですね~。





預かりました 94 式 5 号送信機、レストア動態保存やってくれないか打診してみました。
私らで調べられる範囲の情報は、すでにこのブログで JP7CZE 川辺さんにアップしていただいてます。
加藤ちゃんの所にあるなら預かってやってみましょうか。という話になりました。

彼の工作の上手さは高校時代から飛び抜けてましたし、15 年のアメリカ勤務、アメリカのデイトンコンベンション以外にも米国のハムフェスを回って珍しいパーツも集めてます。
まず私なんかの知らない米国事情は生き字引です。軍用機の事も詳しいです。ですので、中西さんに 94 式 5 号送信機を託してみようと思います。

次に、近日中に制作記事が CQ 誌に掲載予定の 832A CW 送信機の安定度がすこぶる良く作れた件に関し、ノウハウを伺いました。
従来の定説を崩す手法に唸ってしまいました(詳細は CQ 誌製作記事にて)。軍事用受信機 BC-342BC-348 のレストアで得たノウハウが生きていました。
実際にコリンズの PTO と比べてみたが安定度は遜色なかったと。
考えてみれば、今までの定説を崩す新しい発見で、こりゃ単なる道楽で作ったものでないと解りました。

こういう、まだ皆さんの知らない話、かなり手持ちあるようでした。

面白可笑しい面も入れて、是非連載で CQ 誌に書いて下さいとお願いしておきました。
来年度の新企画で、アメリカのハム事情から今までの常識を検証するとかを連載読み物で行ける気がしましたね。話聴いてて面白いですもの!!

最後に、私が現在はまっておりますオールバンド AM 送信機の話。
トランシーバーをエキサイタにして水晶使わない送信機のパネルデザイン画をご覧に入れましたら、あれ? これ、高校時代に作ったトランシーバーかと思ったと、中西さん。私、そこを狙ってレプリカ製作、17歳時代とは違う工作を仕上げたいなと。

ちょうど JA1FT 綿引さんからお電話が。
中和のやり方わからなかったので問い合わせしてた答えを戴き、これまた綿引 OM が独自に編み出したやり方に、唸ってしまいました。
このように、トントン拍子で解決策が見つかる時は、うまく行きそうな気がしますね~

本日はアルコール変調ですので長くなり失礼しました。

2017/07/23 de JR1KQU 加藤欣一

↑Page Top

94式5号無線機

94式5号送信機、昨日、JR1KQU の所にやってきましてお預かりしました。

どうも新同品見たいです。150V?と6V の電源作れば動作は確認できると思います。

JA1BA 石川OM のコレクションを、飛5号の JA0BZC 矢花さんに託された物ですが、矢花さん、毎月の連載があり時間取れないのでどなたかトライして下さい、と預かりました。




電源トランスはラジヲ少年の 100V40mA、6.3V1A の小さいものうちにありますのでこれで作ればゆける気がします。諸元によると 80mA 必要ですが、何かトランス足して工夫が必要ですね。現在 JR1IVA 市川OM に可能性を調べてもらってます。

動態保存できればいいのですが、謎解きしてダミーで確認できるところまでゆければ大成功でしょうね。

一応、革ケースにはミンクオイルぬり、金属ケースは 8 月号 500円グッズのサビトリで綺麗にしておきました!!
代官山の骨董屋のお姉さん店長にはいつも、古い所に価値があるので絶対磨かないで下さいと言われますが、私は生理的にダメなので磨き倒します。

参考資料:

2017/07/22 de JR1KQU 加藤欣一

↑Page Top

リッター 60km スーパーカブの世界

昨日東京は夕方ひょうが降って来ました。

初めての体験に、新車のキャンパスの屋根が傷だらけにならないか、おっかない思いをしました。デカイ氷の塊でした。カスタマイズされたカブを引き取りに五反野のバイク屋さんにゆく途中の出来事です。

うちのお兄さん(末っ子)のこだわりの カスタマイズド クロスカブ CC110 のお披露目です。





泥除け塗装、タイヤ、リアボックス、それからマフラーカスタム化、純正の風防は気に入らないので市販品を付けて完成だそうです。

高校生からバイク通学してましたのでバイクにはこだわりますね~~

(↑ 移動運用用にちょうど良さそうですね by HP管理人)

私もリタイアしたらこんなカブで日本一周の旅に出たいですね。

JL1PSW 森谷さんは自転車で日本一周されるようです。毎日、50MHzAM でのラグチュウのあと 10km 走っています。

2017/07/18 de JR1KQU 加藤欣一

↑Page Top

JA1FT 綿引さんの 28MHz 送信機、完成しました。

JA1FT綿引さんの新作28MHz送信機が完成しました。

スクリーン変調は調整が大変なようでゆくゆく、プレートスクリーン同時変調に改造して申請すると言われてました。



正面のお姿

内部レイアウト



内部配線きれいですね!!

変調お姿


それにしても猛暑35度の中、お元気ですね~

この送信機で造り納めにされるようなお話でしたので、あと1台トランシーバからキャリア入れて単球の送信機、オールバンドAM送信機を是非作って下さいとお願いしました。TX-88Aで非同調で私が実験中ですがとても使い勝手がよろしいので。

50MHzだけ少々不満足で私も作ってみたいのです。アメリカノビス級の送信機みたいですが。

2017/07/17 de JR1KQU 加藤欣一

↑Page Top

大量の AM 関連送信機、受信機の資料、JA2IIN 中西さんから届きました!

KC8EOS/JA2IIN 中西さんより以下の資料5冊のファィルとDVD-Rに焼いた円盤が届きました!

古い資料を集めて自炊用の裁断機まで用意され、大変な作業量だと思います。

内容は次の通りです。
  • 「HAM 入門」(昭和 32 年発行)
  • 「アマチュア無線コレクション」(写真集)
  • 「中学生の HAM 入門」
  • 「電波科学、送受信機回路集」A4版
  • 「魅惑の軍用無線機」(第1巻)
以上の5冊です。

とりわけ、「中学生の HAM 入門」は中学生の時学校の図書館にありましたので借りてきてはむさぼり読んだ記憶が鮮明に蘇ってきました。

私の AM 通信のルーツです!

神田の明倫館書店の地下売り場覗くと 10,000 円近い値札が付いてるのでとても買えませんでした。

「魅惑の軍用無線機」の本は BC-1004-C をレストアするとき港区の図書館にあったので必要部分だけコピー取りましたが、一冊丸々大変な資料です。

それから、それから、1964 年のアメリカの「アマチュアハンドブック」原本、これには回路図から解説、何より白黒写真ですが内部の様子パネルデザインが良く解り、アメリカの当時の垢抜けたデザインは自作するときのデザインに大変参考になります。

製作意欲がモリモリ湧いてくる本です!

中西さん感謝祭せねばなりませんね。

2017/07/17 de JR1KQU 加藤欣一

↑Page Top

アンテナ、リグ切替器裏面写真、それと補足です。

切替器の裏面も見たいとのお話がちらほらありましたので、写真撮影しました。



簡単工作ですので恥ずかしいですが 3.7/7MHz と 14~28MHz のアンテナはアクリル板で絶縁、アース側は切り離してあります。

市販のアンテナ切り替器はアース側が繋がってますが、以前不具合があり離しておいた方が良かった事がありましたので、あえてそうしました。

もともとこの切替器は 7MHz の V 型ダイポールの給電部に 3.5MHz のマッチング回路を入れてシャックからリモート操作できるようにするために作りましたが、テスト1発目で燃えてしまい、その後現在のΣ型ダブル逆 V アンテナにしてからマッチング回路必要なくなりました。今回前面パネルだけ作りなおしました。

あとは大き目のロータリースイッチで切り替えるだけの簡単なものです。

なお、使った部品、ロータリースイッチは一見セラミックのように見えますが、アイテンドーで 300 円で売っていた白い樹脂製(現在は売り切れ)、リレーは高周波リレーじゃなく、手元にあった AC100V 動作のふつーのリレーです。

2017/07/17 de JR1KQU 加藤欣一

↑Page Top

アンテナ、リグ切り替え器完成しました。

5 月にアンテナの整備が終わり、切り替え器を作らないとあちこち QSY するのに不便このうえないので、図面を引っ張り出し半日ほどで配線しました。

配線間違いをチェックしてセット、何だか様子が変??
図面どおりにはつながっていたんですよ!だけど SWR 計が異常に高く使えませんでした。

リニアの切り替えにリレー入れてありますが、ケーブルの外被の処理がまずいのかな?
それくらいしか思いあたりません。全てリレーまわりで結線し直しましたらうまくゆきました。

不思議なもんですね。

製作を思いついたのが2月、半年ほったらかしでしたので図面みてもピンとこないし、何だか動作してるようなのでこれで 3.7 から 50MHz まで AM 通信スムースに楽しめます。

先程ログをつけましたら 21/28 の AM で JA8KJG 半田さんと毎日のようにお会いしてますね。

先程( 10時半頃)は JP7CZE 川辺さんの AM 波が 7195 で 59 で聞こえていました。まさかまた 0.8W や 1.8W の QRP じゃないですよね。(←本人註:18W でした)

2017/07/16 de JR1KQU 加藤欣一

↑Page Top

7195AMに新星現る!! - JS2AAV 若林さん

7/15 17:37 7195AM に JS2AAV 若林さんの CQ が 59 で飛び込んで来ました。

強いです QSB がありますが 59+10dB まで振ってきます。変調も深いですし、声質が川辺さんに似ているように思います。昨晩 7MHz でインドネシアがパイルになっていた中抜いて交信できたとの事、

う~んこれから楽しみな 15 歳の若武者出現です。

その後 7181 に移り18時前まで 59+/59+ でラグチュウできました。

2017/07/15 de JR1KQU 加藤欣一

↑Page Top

ハムフェアブース出展決定しました。

暑い中皆様方には健やかにお過ごしの事と存じます。
いよいよハムフェアの時期になってまいりました。

今年は、9/2.3(土・日)で、4階の西展示棟3、4ホールになります。
今年も JA9FIO 中嶋様の御厚意に甘えブースを用意して戴けます。

ブースの番号は J-28。 例年通り、入口から見て一番奥、女性トイレの前にしてきました。



中嶋さんが珈琲サービスも提供して戴けます。

いつも通り休憩所、荷物置き場に利用させて戴きましょう。

年一度のアイボール!

9/2 の17:30から19:30 まで、変わり映えしませんが ワシントンホテル1階のジョージタウンにて懇親会をやりたいと思います。飲み放題食べ放題で5000円になります。

歳を重ね若い時のように飲んだり食べたりも出来ませんが、会場から近くで20名まとまってくつろげる店は限られますので、ご容赦下さい。都合のつく方は是非参加下さい。

例年参加戴いてる皆様には後ほど、私からメールでお知らせさせていただきますが、連絡先の不明の方で参加希望の方は、jr1kqu@yahoo.co.jpにメール入れて下さいませ。

秋葉原、高耐圧タイトバリコン情報

昨日、ブース抽選会のあとアキバ探訪に出かけましたら、500V 耐圧の 100PF、50PF タイトバリコン門田無線さんでは完売もう手に入らないようです。1kV 耐圧のはまだあるようです。

エスカレーター挟んで向かい側のシオヤ無線さんではまだありましたが、500V 耐圧は店頭在庫だけでおしまいとの話でした。
両店とも日曜日はお休みですので、タイトバリコン必要な方は気にとめておいて下さい。

それではハムフェアでお目にかかりたいと思います。

2017/07/13 de JR1KQU 加藤欣一

↑Page Top

JH8SST/7 八柳さんより情報です

JH8SST/7 八柳さんより情報です。

    7月8日の土曜日も 28.636MHz AM で CQ を出したら 3 エリアと 5 エリアの OM にコールしていただきまして、交信を楽しむことができました。

    今回は短周期の QSB を伴って聞こえ、非常にスリリングでした。SSB では経験しない聞こえ方です。28.636MHz という、何の脈絡も無い周波数であるにも関わらず、何か聞こえないかとダイヤルを回す過程で AM の CQ を発見してくれるようです。

    21.154MHz の AM は国内交信のチャンスが大きそうで FB ですね。札幌ラジオ少年に 7.050MHz の HC49/U が売られていました。自作に FB と思います。


2017/07/11 de JR1KQU 加藤欣一

↑Page Top

空想科学通信21.154MHz快適AM交信!その3

7/8 9時過ぎあまりEスポ開けていないのかな?と、14.280MHzでCQAM出すもどなたもコールなし。

で21.154MHzに上がり試験電波出してましたら8J6VLP 宮崎県日南市の川島さんから呼んでいただきびっくりです!

1.5WAMとの事ピーク59で綺麗な了解度のいい音で聞こえます。

FT-817 4エレメント八木 海抜230mの山小屋からのQRVとの事でした。時折QSBで沈む事もありましたのでSSB5Wにしてもらいなんと40分間ラグチュウ出来ましたよ!

7195の時は東京と九州間はなかなかパスが難しくゆったり話出来なかったですが、Eスポ様々です!

QRPでも十二分に実用通信出来ますから。

お陰様で色々情報交換会できました。

川島さんの実験ではTX-88D の場合、FT-101のドライバの前の段から出力取り出して88Dをドライブできたとの事、28MHzAMではJA8KJG 半田さんほか7エリアの局2局、全バンドで20数局出来てるとの事です。

また4月号のAM通信12Vで動く超再生受信機の記事に刺激うけ3A5でトランシーバー製作中との話でした。(その話をJE1EKH小野里さんに伝えた所、嬉し泣きの動く絵文字が!!)

その後、半田さんもお出まし川島さんとつながり、JP7CZE川辺さんと半田さんが交信中です。

そういえば先日PEZ局と3人でラウンドQSOした時、川辺さんのAM波は1.5Wと言われてましたがIC-7100のマニュアルをちゃんと読んで無くて本当は0.8Wだったとの事です。

川島さんの話でもEスポ出ればSSB5Wあれば十分実用になりますねとの話です!

何事も一歩ずつ実験進めてゆくと不思議、空想世界の話だと思ってた事が当たり前になってきますね~。

2017/07/08 de JR1KQU 加藤欣一

↑Page Top

空想科学通信21.154MHz快適AM交信!その2

空想科学通信21.154MHz快適AM交信!その2

10時のお茶タイムで無線機のスイッチつけましたら、半田さんの CQ が良く聞こえます。

JA2PEZ 野口さんに連絡、久々に半田さんと交信してはと。私が声出しスタンバイすると、野口さんの声が 59+ で聞こえます。(半田さんは席はずされたみたいで留守)。

そのうち BK さんがありました。なんと山形から JP7CZE 川辺さんです。58~59 で良く聞こえます。しかも AM5W との事です。

私アンテナ切替忘れて 7MHz のアンテナで出てました。

ビームに切替、リニア抜いて 5W にしてみました。59 で山形に届いてるようです。

川辺さんの信号は、時折り弱くなったのでどうしたのかと思っていたら、試しに 1.5W まで絞っていたのだとか。私のところでも野口さんのところでも、さすがにピーク 58 位で,ノイズに埋もれるときもありました。
これからの時期、まだまだ E スポのコンディションは上がっていくでしょうから、QRP1.5WAM 同士の交信も問題なくできることがあるでしょう。

なんだかコンディションの良かった時の 7195 みたいです。ラウンドで話でき嬉しくなりました!


2017/07/06 de JR1KQU 加藤欣一

↑Page Top

空想科学通信21.154MHz快適AM交信!

いやぁ~オールバンドAM出れると毎日楽しいですよ~

7/6 今朝は21.154MHzにてJA8KJG半田さんが聞こえました。

8時過ぎから9時前まで、TX-88D とTX-88A で59+/59+ で快適にラグチュウ出来ましたよ。

50年前のアマチュア無線の姿ですね。

もしワッチされてる人がいたら、

!?何だい?AMで聞こえるし、88Aや88D使ってるなんてしゃべってるぞ!SSBの時代にどういう事!?なんて首傾げるかも。

受信機が当時は高1中2にクリコン付けてのスタイルが多かったので現代の姿の方が快適AM通信できますね。

半田さんはジャンクの水晶色々工夫して88Dに挿して楽しんでられます。私は、TS-570から直接キャリア入れて、まぁどこの周波数であろうと出る事ができますので、なんて話で盛り上がりましたね。

混信はありませんし、フェージングを伴いながらはるか北海道から聞こえてくるAM波の醍醐味は7195とはまたひと味 違う、Eスポ発生時だけしか味わえない心地良さを堪能させていただきました。

2017/07/06 de JR1KQU 加藤欣一

↑Page Top

18.150MHz AM 通信出来ましたよ!

7/5 7:30 頃 18.150MHz JA8CMC 石狩郡の小畠さんの信号が 59+20 で入感してます!

これはチャンスと離れた周波数で TX-88A のチューニングをしました。バンド切替21MHz の位置で TS-570 から VFO 入力にキャリア 5W 入れ、スムーズに 10W 出てます。

まず SSB でコールお互い 59+20dB です。
次に AM モードをお願い心よく応じて戴けました。

今度は TX-88A のシーメンスキーを倒して AM 送信、アスタチィックマイクに向かって話ました。スタンバイしますと、綺麗な AM の音で 59+10 で来てますよ!と、CMC 局も 59+10 です。

6 エレメントのモノバンド八木をお使いで、素晴らしい信号の強さローカルラグチュウのようです。

TX-88A で 18MHz AM 初めての交信でした!
このやり方、あらかじめ 88A を出るバンドで調整してスタンバイしておけば、送受信の切替は本当にスムーズでした。
Eスポシーズン楽しみ増えますね!
このやり方はいけますよ!

2017/07/05 de JR1KQU 加藤欣一

↑Page Top

7/2 夕方頃の7195kHz空想科学通信!?

JA1UDY/2三浦さんより通信リポートです。

    17:30頃7メガワッチしたらあちこち入感してましたのでこれはいけるかもと期待して手の平サイズ通信機AM3WでCQ出しましたら加藤様にお呼びいただきました。

    (誰かCQ出してるな~とボケッと聞いてました、そのうち少し上がり三浦さんだとハッキリ確認出来ました。59)

    強く入感してましたのでビックリでした。東京目黒と静岡市葵区とはパスが悪い事が多いですが、今日はTX-88Aのみの時(10W)は58から59、リニアつないで(100W)59から59+でした。

    パワーで10倍以上違うのに聞いた感じではそれほどでもありませんでした。(電離層のご機嫌状態の影響力は凄いもんですね!やたらパワー入れた所で効果期待出来ない日もある)

    自然界の摂理にはかないません。電離層とは厄介なものですがまた楽しくもあります。

    手の平サイズの送信機で通信できるのですから。

    空想科学通信!?

    一時期シグナルが落ちたと思ったらまた強くなりJH1EAK寺山様ともつながりました。

    その後フェードアウトとなったと思います。あの時間帯はいつも良くなったと思ったらスーッと消えてしまいます。
    またつながりましたら宜しくお願いします。ではまた


2017/07/03 de JR1KQU 加藤欣一

↑Page Top

28.636MHz での CQ で AM 交信できました!!!ー JH8SST/7 八柳さん!

28.636MHz での CQ で AM 交信できました!!!ー JH8SST/7 八柳さんからのレポートです。

    7/2、9:30 頃に違法 CB トラック無線が非常に強力に入感していたので、早速 28.636MHz AM で CQ を出してみました。

    驚くべきことに直ぐに応答があり、1エリア 3 局、2エリア 1 局、3エリア 2 局の計 6 局と交信できてビックリです。

    こちらは 6146 シングルプレート・スクリーングリッド同時変調なので相手は良く了解できたようで、こちらのレポートは 57 ~ 59 でした。

    相手側はメーカーリグのためか信号が弱かったり変調が浅かったりで、こちらは受信に非常に苦労し、コールサインの確認に非常に手間取る局もいる状況でした。

    コンディションが良かったためでもありましょうが、いきなり 28.636MHz という変な周波数で CQ を出したにもかかわらず、交信が終わると直ぐに他の局が呼んで来る状況になり、非常に驚きました。

    ありがたいことに、QSL 交換も約束する普通のアマチュア局が 6 局中 5 局でした。残りの 1 局は、「普段 28.305 で出ている」という局で JARL に入っていないとのことでした。話し方が違法 CB 口調でなかったのは幸いでしたが。

    28.636MHz は AM 周波数として定着する可能性があるように感じました。

    半田OM と 7195 の OM 諸氏にも、大きな成果があったことを QSP 頂ければ幸いです。

    7195 の皆様も、夏場の楽しみに是非 QRV して頂ければと思います。

    ちょっと耳が悪いので、受信機を改良しないといけません。

    JH8SST/7 頓首再拝


2017/07/02 de JR1KQU 加藤欣一

↑Page Top

28.636MHz での CQ で AM 交信できました!!!ー JH8SST/7 八柳さん!

28.636MHz での CQ で AM 交信できました!!!ー JH8SST/7 八柳さんからのレポートです。

    7/2、9:30 頃に違法 CB トラック無線が非常に強力に入感していたので、早速 28.636MHz AM で CQ を出してみました。

    驚くべきことに直ぐに応答があり、1エリア 3 局、2エリア 1 局、3エリア 2 局の計 6 局と交信できてビックリです。

    こちらは 6146 シングルプレート・スクリーングリッド同時変調なので相手は良く了解できたようで、こちらのレポートは 57 ~ 59 でした。

    相手側はメーカーリグのためか信号が弱かったり変調が浅かったりで、こちらは受信に非常に苦労し、コールサインの確認に非常に手間取る局もいる状況でした。

    コンディションが良かったためでもありましょうが、いきなり 28.636MHz という変な周波数で CQ を出したにもかかわらず、交信が終わると直ぐに他の局が呼んで来る状況になり、非常に驚きました。

    ありがたいことに、QSL 交換も約束する普通のアマチュア局が 6 局中 5 局でした。残りの 1 局は、「普段 28.305 で出ている」という局で JARL に入っていないとのことでした。話し方が違法 CB 口調でなかったのは幸いでしたが。

    28.636MHz は AM 周波数として定着する可能性があるように感じました。

    半田OM と 7195 の OM 諸氏にも、大きな成果があったことを QSP 頂ければ幸いです。

    7195 の皆様も、夏場の楽しみに是非 QRV して頂ければと思います。

    ちょっと耳が悪いので、受信機を改良しないといけません。

    JH8SST/7 頓首再拝


2017/07/02 de JR1KQU 加藤欣一

↑Page Top

JH8SST/7八柳さんより実験リポート到着!

JH8SST/7八柳さんより実験リポート到着!

    水晶情報をHF AM通信へのお誘いで紹介してくださり、大変ありがとうございました。

    早速今日、手持ちがあった14.318MHz HC49/USのクリスタルをジャンクFT243のケースにハンダ付けして、送信機に挿してみました。 送信周波数は28.636MHzから、VXOして28.571MHzまでカバーできました。

    受信機もVFOを交換して28.5~29MHzまでの 連続した周波数を受信可能にしました。

    Eスポが出たら28.636MHzを中心にCQを出していきますので、他のAMerの皆様にもQSPして下さいますよう、どうかよろしくお願い致します。

    この周波数がアマチュア用28メガAM周波数として定着すればいいのですが。

    JH8SST/7 頓首再拝

2017/07/01 de JR1KQU 加藤欣一

↑Page Top

KH7XS ハワイ局が18MHz 59+で入感

6/30 18.130MHzにて15:45 KH7XS ハワイの局が59+で入感、あまり呼ぶ人もいなかったので、AMモードで交信をリクエストしてみました。

自分のトランシーバーにはAMモードがついて無いとの事!?

え~今時の日本製のトランシーバーにはついてるけどなぁ~と思いつつ、じゃぁ~仕方ないやとファィナル送ると、

ロシア製のトランシーバーとかでAMが出せないとの話でした。

久々に小気味よいDXの信号にエキサイトしてしまいました!

山形の JP7CZE 川辺さん、すでに私の前にダイポールアンテナに 50W で交信済みでしたとの事。
私の後、この信号の強さだといけると思って 5W QRP でやってみたところ、50W のときと同じ 56 で取ってもらったとの事で、びっくり!

2017/06/30 de JR1KQU 加藤欣一

↑Page Top

JH8SST/7 八柳さんよりEスポ用水晶の情報いただきました。

昨日、八柳さんの BLOG に JA8KJG 半田さんの水晶記事アップしていただきました。

サトー電気のクリスタル一覧を見ると、次のクリスタルが 21メガ と 28メガ用に使えそうですね。

    水晶の周波数逓倍数出力周波数

    7.1MHz3逓倍21.3MHz
    10.7MHz2逓倍21.4MHz
    7.15909MHz4逓倍28.636MHz
    14.318 MHz2逓倍28.636MHz
どれも HC49/U がリストされています。

VXO すれば、21MHz では 94KHz、28MHz では 120KHz 程度まで安定に周波数を下げられるので、実用的なカバー範囲の送信機になるのではと思います。

28メガは 14.318 の 2 逓倍を定着させれば FB ではないでしょうか。

2017/06/27 de JR1KQU 加藤欣一

↑Page Top

TX-88A 改造完了しました。

まもなく、真夏の夢物語

トランシーバーをVFOとして使う為のリレー回路の変更上手くゆきました。

送信時トランシーバーからキャリア注入、受信時にはアンテナが接続されるように、トランシーバー以外に受信機使わないなら元々付いている 3回路のリレーで間に合います。

リレー周りの配線少し変更するだけで 3.7 ~ 50MHz まで水晶つかわないでどこの周波数でも AM 波が出せます。

今まで整合回路入れないと絶対ダメだと信じ切ってました。ものは試しと実験したらたまたま上手くゆき、送受信スムーズにゆくようにリレー回路改造しました所成功したようです。

7195 では JH1EAK 寺山さん,JP2GMR 原さんと交信、変調はしっかり、+変調でかかり何の問題もないようです。

夜にローカルの JL1PSW 森谷さんと 50MHzAM で交信、たすき掛けにして 21.300、 28.600MHz で聞いてもらいました。大丈夫との事です。

こんな簡単な方法でトランシーバーを VFO にしてどこの周波数でも AM 波で運用出来るなんて夢物語のようです。

SSB やなんちゃって AM で運用するときはトランシーバーの PTT で送受信切り替え、88A で AM 波出すときは、シーメンスキーを下に倒して送信にします。

私の場合は、70 年前のスーパープロ BC-1004C(BC779) で受信も出来るようにスタンバイ回路を付けましたので、受信はトランシーバーと 2 台で聞く事が出来ます。

88A とスーパープロで大昔の AM 通信!バンド内どこでも自由に出られるなんて夢見ているようで、シーメンスキーで送受信切り替えしたなんて高校生以来の出来事で不思議な気持ちになりました。
トランシーバーは TS-570S でキャリアは目一杯絞り 5W です。

TX-88A はファィナル S-2001、3.7~28MHz (WARC バンド含む) は約 15W、50MHz は 10W 近く出ました。

88A の Ig は 5mA 位流れますので、バリコンで 2mA に合わせて使いました。18/24MHz は 88A のバンド切り替え、21/28 に合わせれば使えます。

面倒くさい事言えば、きちんと整合回路入れ、アッテネータ入れて適切な電力で VFO 入力とすべきで、こんなやり方は邪道だと認識していますが、簡単な方法で TX-88A が 200% 力発揮出来るとすれば、このやり方もアウトではないかもと思っています。

是非、88A や 88D オールバンドの送信機お持ちの方は試していただけると FB と思います。
AM モードのついてる古いオートチューナーの付いていないトランシーバーでも何の問題もなく使えます。

2017/06/25 de JR1KQU 加藤欣一

↑Page Top

皇紀2594年(昭和9年)

JR1IVA 市川OMより投稿がございました。

    94式送信機はいろんなバリエーションが
    あるんですね
    2球はどのタイプなんですかね?



    以前 アクションバンド?に投稿の製作記事がありましたが
    カセドラルラジオでしたっけ
    ラジオライフも収集ワッチしてますか?

    別冊ラジオライフDX Vol3(2012年6月25日発行 三才ブックス)の
    「電波兵器 九四式六號無線機」に本体、発電機、運用方法等がイラストで詳細に
    解説されているようです
    立ち読みした記憶はありますが

    無線と直接関係ないですが、 国立公文書館 アジア歴史資料センター でも 「94式 送信機」 で検索したらいろいろでてきました

    NPO 法人でも立ち上げて、クラウドファンディングなんかで 資金を確保して、超高齢者のおじさんたちに戦前、戦後の 無線機のメンテ ボランティア、「日本文化遺産?」などを CQ誌にプッシュできたら、荒唐無稽なことを考えましたHI
おいおいAMパワー炸裂、市川君も私同様、妄想じいさんになっとりますよ!!

そういえば学生の頃市川君と町田のOM宅までTX-88Aを譲ってもらいにお邪魔しましたね。

2017/06/25 de JR1KQU 加藤欣一

↑Page Top

V63YL ミクロネシア 14.140MHz

6/24 7:23 SSBでミクロネシアのV63YL 眞田さんと交信 59/59 でした。コンディションが不安定でもすこし大きい声で聞こえればAMリクエストするんでしたが。このあとミクロネシア周辺の島をまわると言われてましたので、次のチャンス狙い撃ちです。カードはJP3AYQ本人です。

ヤフオクに三電機のQTR-7という真空管式のトランシーバーが出てます。6BQ5 シングルの3.5/7MHzAMトランシーバーです。変調は6BQ5 のハイシング変調です。トリオのスカイドリームの対抗機種ですね。欲しいですね。

高校生の時作ったトランシーバーに似てます。作るかな!?

2017/06/24 de JR1KQU 加藤欣一

↑Page Top

TX-88A 簡単改造の先に見える3 球AM送信機

88A改造の件に関しJA1UDY/2の三浦さんにご意見伺った所、本来はインピーダンス整合行ってやるべきで、私と同じ考えでした。



トランシーバーからの出力が既に大きいですから、インピーダンス整合回路入れてファイナル部分だけ作り変調かけると、オールバンド 3球送信機が出来ますねと話した所、誰しも同じような事考えるんですねと。

ドライブを強力に出来るので、終段に外部よりドライブ加えてやれば動作すると思います。
逓倍しないので安定に動作するのではと考えます。

送信機作りたければ10W機のポンコツ買ってファイナルだけ真空管の送信機の終段を利用すれば簡単に自作可能ですね。

新規格のトランシーバでドライブすれば、ブースタアンプならば新スプリアス規格楽にオーケー出そうな気がします。変換もミックスもしないので、スプリアス出にくいでしょうから。

動作するTX-88Aを触ったのは高校生以来でしたが、JE1EKH 小野里さんに研磨し直してもらった水晶群 3757、7195、18.16、24.936、50.550MHz 全て上手く動作しました。



サトー電気のオーバートーンの水晶も50.5MHzでちゃんと使えました。
88Aというのは頼もしい存在感ですね!!

早速、お手軽改造やりたいと思います。元々ついてるリレーは3回路なので、リレー 4回路のものに入れ替え、BC-1004C の受信機も切り替えて使えるように改造回路思案したいと思います。

2017/06/21 de JR1KQU 加藤欣一

↑Page Top

TX-88Aにリレー1個増設だけで、オールバンドどこでもAM波出せます!

先日手に入れたTX-88Aが動作する事が解ったので、水晶だけではEスポシーズンバンド中どこでも出られる訳ではありませんので何とかお手軽にいかないかと、トランシーバーからキャリア入れた所上手く動作しました。

トランシーバーの出力は50Ω、88AのVFO入力はハイインピーダンス、マッチング回路入れないとダメだろうと思ってましたが、ものは試しと5W出力で入力してみました。

トランシーバーのオートチューナーは働きませんが、Ig/Ipとも水晶と同じように動作しました。オートチューナーをOFFにしても変わりませんでした。

このやり方で特に問題なければ、リレー1回路増設してVFO入力を受信時アンテナに接続するように改造すれば、水晶使わずトランシーバーをVFOにしてバンド中どこでも出られる(スーパー88A)となりEスポシーズンSSBで交信、AMにして交信も楽しめるというわけです。

使い方は、トランシーバーに88Aつないで、SSBは普通に話、なんちゃってAMの時はモード切り替えして交信、スタンバイはPTTでやります。

88AでAM出したい時は、88Aのシーメンスキーで送信にします。マイクは88Aにつないだマイクを使います。

トランシーバーのスタンバイは88A側のリレーでコントロールします。

大抵トランシーバーの裏側にスタンバイ端子が出ています。それを88Aにつなぎます。

3.7~50MHzまで上手く動作しました。変調もモニターしてみましたが綺麗にかかります。

私の88AはファイナルがS-2001なので50MHzで10W近くそれ以外のバンドでは15W位でました。

更にリニアつなぐと200Wオーバーに。

秋月で販売してる黒い100円リレーで簡単に改造出来ます。

トランシーバーも昔のオートチューナー付いてないものでもAMモードがついていれば大丈夫使えます。

3.7や7MHzだけなら受信機は何でも使えますがHFハイバンドを受信するにはトランシーバーの感度、安定性は魅力です!

是非オールバンドAM送信機お持ちの局は試して下さい。利用価値が広がりAM通信の楽しみが増えます。

2017/06/20 de JR1KQU 加藤欣一

↑Page Top

JA8KJG 半田さんより 21/28MHz AM 情報

6/17 6:30AM から 7 時過ぎまで 21.215MHz にて JA8KJG 半田さんと AM 通信しました。

お互い 59 から 59+ どおしで快適な交信ができました。
昨日の 7195 のコンディションの話からニセコ町ではあまり良くなかったようです。
JA9CJE 東さんの信号もあまり強くはなかった、相手の JA1UDY/2 の三浦さんの DSB 信号はかすかに入っていたと、何Wだったのですかね? 5W AM で DSB は何Wか不明ですと。

半田さんは、まず 21.150 の JA2IGY 伊勢のビーコンを聞きバンドオープンしているか確認されてるようです。そのうち、ビーコンはVR2B 香港に移り 4S7 スリランカに移ります。

半田さんは TX-88D で運用されてますので、昔の 7050 の水晶3逓倍して 21.150 トリマいれて 21.154 にしたり砥石で研磨したり工夫されて、

21.154 195 216 237 で CQ 出してる事が多いそうです。

また 28MHz の場合はコンピューターに 14.318 の小さい水晶が入っており廃物利用で直列にトリマいれて 28.640 650 にて CQ 出してる事が多いですとの事でした。

昨日はひさしぶりに JH8SST/7 の八柳さんからメールいただき、21/28 の AM の周波数はどの辺がいいのですかね?との話になりました。

私は強い局を捕まえて AM モードリクエストするやり方をしていますが、一番アクティブな JA8KJG 半田さんの信号を捕まえるのが手っ取り早い方法かと思います。

信号が強いですから SSB モードでダイアルくるくる回しているとキャリアが聞こえるのですぐ解ります。

AM モードにすると 59+ で綺麗に了解度の良い AM 波が聞こえるのでやっぱり AM なんだと解ります。

是非、この E スポシーズンなんちゃって AM でいいですから 21/28MHz AM 覗いてみてはいかがでしょうか?

そのうち何年かして皆さんがお出ましになれば、14/18/21/24/28MHz で 7195 と同じように AM 通信が定着、今朝の半田さんとの交信のように、まったりのんびりとラグチュウできる日が来るような気がします。

2017/06/18 de JR1KQU 加藤欣一

↑Page Top

昨夜の A61FK アラブ首長国連邦と 7195AM5W !

6/15 寝ようと何気に 14.195MHz で A61FK が 58~59 で良く聞こえています。

何回もコールしますがかすりもしませーん。

多分アラブの王様うんkWのリニアで発砲、こちらの微弱電波は聞こえていないのでしょう。眠いので止めました。

6/15 10時すぎ事務所で TR-70 (LA1600の受信機内蔵トランシーバー) で 7195AM 聞き流してましたら、弱い AM 波が聞こえてます。その内 DSB に切り替えはっきり JA1UDY/2 と聞こえましたのでシャックから AM で呼んだ所、三浦さんからコールバックありました。

47~48 で来ていますと、はっきり 55 で受信出来ました。

ところがすぐにコンディションが落ちてしまいました 5W との事でした。

まだまだ 7195 は 5W でも聞こえるんですね。何でも新しい手のひらサイズ蛇の目基板で実験中との事でした。
案外静岡と東京のパスは悪い事が多いのですが、まさか呼ばれるとは思いもしなかったと、こちらこそ小さい受信機で聞こえてきたのでオッタマゲ~でした。

2017/06/15 de JR1KQU 加藤欣一

↑Page Top

夜の14MHz電波伝搬について

JA9MWC神谷さんからの情報です。

なんでも、今の時期は、Eスポ絡みのパスで、途中までF2でやってきて、ラストEsと言うことで、3エリアでは何も聞こえなくても、東日本では、中近東やアフリカがよく聞こえるということはあるようです。

18MHzなどは、6月の夜中に突然カリブが入るようですが、これもEスポが絡んでいるそうです。

そういえば数年前体験しましたが、自作イカサマGPで夏至の頃深夜、18MHzでカリブ海のKP2YLと交信できましたね。

電波の不思議です。

2017/06/11 de JR1KQU 加藤欣一

↑Page Top

夜の 14MHzAM 情報

6/10 土曜日、昨夜はストロベリームーンに誘われて良いコンディションでした。

さてさて今晩のコンディションはいかがかと覗いて見ますと、23:30頃、14.195MHzでKK7TV アリゾナのランディさんが59で聞こえています。
こちらのリポートは55~57 との事、アンテナは3エレメント八木25mHとの事。昨夜の18エレメントに比べるとまああぁこんなもんかなと。
う~ん、やはり59近くで聞こえてないとAMは無理だろうとリクエストせずSSBで交信してすんなり終わりました。

その後モスクワ近くのRM2D マッツさんと交信。

さてさて寝ようかとパソコン立ち上げ、先ほどのKK7TV を検索してみました所、AMビンテージの無線機のコレクターさんでした。バイキングレンジャーコリンズ75A4 受信機なども出てきました。

これは楽しみ増えました。次聞こえて来たらAMでの交信にすんなり持ち込めそうです。

2017/06/11 de JR1KQU 加藤欣一

↑Page Top

JA9MWC 神谷さんより KE5EE 局情報です

JA9MWC 神谷さんより KE5EE 局情報です。

     こんにちは。
     この局は、フロリダと言っても、カリブ海に垂れ下がっているフロリダ半島の付け根からさらに東に行ったところで、おそらくはミネソタのどこかにすんでいて、遠隔操作でアンテナなど動かしているのではないかと思います。



     14MHzのアンテナは、3エレフルザイズの6段スタックで、タワーごと回る奴ですね。

     StepIRは、別にあるようです。何か 14MHz で SSB でのんびりやるタイプの人みたいですね。1枚でいいから欲しいですね。

     名古屋のお医者さんがスイスから FT-817 にダイポールを使って 50MHz CW で交信した K1TOL は、8エレか9エレが4列で2本ですね。エレメント数で言えば、1本が8エレとして64エレです。

     アメリカは、気球で1.9MHzのアンテナ上げたり、やることがすごいですね。


2017/06/10 de JR1KQU 加藤欣一

↑Page Top

14MHz で AM フロリダまで届きました。

6月9日 21:19 14MHzで、フロリダ近くの KE5EE スタンさんの電波が 59 で良く聞こえています。

TS-990にリニア1500Wアンテナは18エレメントだと!?
QRZ.COM 見ると3エレメントのステップIR 6スタック3×6 で18エレメントですね。

SSB で 59 のリポートもらいました。AMモードでのリポート交換お願いしましたが、英語が通じないのか残念ながら 2WAY AM 交信とはゆきませんでしたが、こちらの AM は 58~59 で聞こえているとのリポートもらいました。

こちらは 100W の AM。アンテナは 2エレメントHB9CV です。

ダイポールの局も 59 もらってましたので 18 エレメントの威力たるや絶大です!!

太陽黒点最小期にまさか AM で出来るとはおったまげ~でした。

なんちゃって AM は便利この上ないです!! A Mボタン押せば即 AM 出ますから。

2017/06/08 de JR1KQU 加藤欣一

↑Page Top

JA8KJG半田さん、HFハイバンドAM周波数情報

6月9日 午前9時過ぎ、JA8KJG 半田さんと 21.240 MHz でつながりました。信号は59QSBで良好でした。10分程でノイズ混じりになりましたが。

TX-88Dと4エレメント八木から、水晶で 21.154、28.650、28.780MHz で、朝と夕方 CQ 出されてるとの事です。28.855MHzでも AM 聞こえますが今月はまだ1局しか出来てませんいないとのことです。

ダイアル回してゆくとキャリアが聞こえ、すぐ解ります。私と交信終わった後、JP7CZE 山形の川辺さんが交信され 59+20dB で AM で交信できたとの事です。

また半田さんからの情報では、夜9~10時でも7195は開けてるとの事で、CQ出されてますので、皆さん聞いてみて下さいと。

半田さんは 4 エレメント八木ですから、こちらから呼ぶ側はダイポールでも十分です!!

ハイバンド AM 出られる方は是非トライされて下さい。

2017/06/07 de JR1KQU 加藤欣一

↑Page Top

Eスポシーズン到来!! 18~50MHzでAM通信真っ盛り!!

5月に入り毎日のようにEスポが発生しております。日によって18~50MHzまで強い弱いは様々ですが。

概して18や50MHzは混んでて順番待ちをしないといけない日もあります。

21、24、28MHz は空いてる事が多く、59で強く入感している局をコールしては SSB で交信したあとに、「この周波数でAMモードにしてリポート交換お願いしてみます」と言うと、皆さん AM モード初めての方が多く、おっかなびっくり、「モードを切り替えてやればいいんですか!?」と。「こちらからコールしますから」と申し上げ、スタンバイしますと、「あ~ 良く聞こえますね,SSB とはまた違った音質で強く聞こえてます!こちらはいかがですか?」と。「大変クリヤーにいい音で聞こえていますよ~。」

とにかく強力です!! 混信も皆無!
皆さん口を揃えて「 HF で AM モードで交信したの初めてです!! イヤァ懐かしいですね~」と長話になったりします。

8年前に7195でAM通信初めた頃の、あの頃はとてもコンディションが良くウソみたいにAM通信を満喫出来ました。
最近はどうなってしまったのか不思議な位聞こえてきません。6メガ台の日本短波放送聞いてるとよく解ります。か細い音でしか入感しませーん。

こういったコンディションの時は 7195 にしがみついていくらパワーを入れた所で為すすべはありません。

簡単なダイポール作ってハイバンドに上がって様々なバンドを使い分けした方が楽しめます!

パワーは25Wもあれば十分、59+同士でラグチュウが楽しめます。

Eスポ頼みなので不安定かと思い、強く聞こえてくる局をコールして楽しんでますが、案外長時間続くようで、7195 で非常にアクティブな北海道ニセコ町の JA8KJG 半田さんは、TX-88D に 4エレ八木つないで AM で CQ 出され SSB 局とやられています。
ゆったりと長い時間交信されてるのを見つけ、終わるのを待ってコールしました。快適に 59 同士で AM 交信出来ました。
QSB で弱くなってきたかと思いきやまた復活してなんだかんだ 30分間話できました。その後も良く聞こえてましたので、案外長時間楽しめるなと感じました!

山形のJP7CZE 川辺さんの所では、SSBですが、地の利を生かして一度 CQ 出すと立て続けに全国から呼ばれ、瞬く間に20局はど交信あわや One Day AJD が出来そうな勢いだそうです。

21 や 28 で 1エリアとのパスが開いたとき JA2PEZ 局から連絡をもらい、快適に 59+20dB で迫力ある交信を楽しんでおります。
PEZ局は4エレメントH B9CV 、私は2エレメント HB9CV なので、回した所でたいして変わらないだろうと回転しSメーター見てもらうと以外と変わるので、アンテナの実験も出来てなかなか楽しいです!!

さまざまなバンドでAM通信!!

この時期十二分に楽しめます。

皆さんもいかがですか。

2017/06/05 de JR1KQU 加藤欣一

↑Page Top

シーメンスキー@東邦無線

JH2KMK/1 田中さんからの情報です。

    JH2KMK/1 田中です。

    今日、会社の仕事の合間に秋葉原に行ってきました。前から気になっていたガード下の東邦無線さんです。



    まずRFチョークコイルを買いました。皆さん考えることは同じようで、TRIOのものと同じ、2.5mHは売り切れとのことで、2mHのものがかろうじて残っていましたので、2個購入。値段はラジオデパートの3Fより多少安いような気がします。1個350円でした。ちなみに大平コイルというメーカーのものですが、もう巻いてくれないとご店主がこぼしておられました。ちゃんと聞かなかったのですが、店頭在庫だけかもしれません。



    さらにシーメンスキーありましたよね? と尋ねたとこと、倉庫にあるかもという話になり、見に行ってもらいました。 ありましたよ!! ただ両側に倒れるタイプものは売り切れで、片側に倒れるものだけでした。TX-RX-CALという使い方はできません。TX-RXだけですね。SONYの方に買い占められたとおっしゃっていました。プロの機器にでも使っていたのでしょう。値段は2000円。ちょっと足元見られたかなという気がしましたが、1個だけ買ってきました。 

    私も人のことは言えませんが、本当に使う方に購入してもらいたいですね。自分のブログには載せないことにしておきます。7MHz AMのコミュニティーの中で、口コミ的に情報共有していただけるといいなと思います。

    お店は土日休みかと思っていたのですが、土曜日は10時から15時ごろまでは開けているとのことでした。

    田中


2017/06/01 de JR1KQU 加藤欣一

↑Page Top

8バンドアンテナシステム構築記

現在まで使っていたアンテナシステム、これから伝搬の冬の時期を迎えるお空のコンディションに対してはかなり寂しいものがあり、大幅なバージョンアップを画策していました。
日々時間の経つのが早くなりこの連休を逃すと、次は梅雨入りし雨で出来ない、暑くて出来ないが始まります。そこで、5月の連休に数年前から三重県津市で行っているJA2YAL電気部合同同窓会、今年は参加せず、アンテナ工事に専念することにしました。
とりあえず完成しましたので、報告します。

写真は、アンテナの全景になります。



左端コンジットパイプが3.7/7MHzのダブル逆Vアンテナです。
両バンドともフルサイズ、3.5スケの太いアース線を使用したため、3550 ~ 3800、7000~7200kHzでSWRは 1.5 以内におさまり使えます。Wバズーカにする必要があるのかと。

特に 3.7MHz は 40m の長さの電線を引き回す為、屋上の柵に物干し竿を突き出し、卵碍子を入れて展開します。
当初いい加減なことをやっていましたら、エレメント先端が電圧高いため電線の被覆が溶け、物干し竿と接触して、アンテナとして動作しなくなり、原因が解るまでモヤモヤしました。地上高は 15mH です。

タワーにのっているのが 50MHz スイスクワッドです。下はミニマルチの HX52A。5バンド(?、14、18、21、24、28MHz)2エレメントミニビームです。
スイスクワッドとHFのアンテナの間隔がなく、18 と 24 は SWR が3と高いです。それでも聞こえてくるアメリカやヨーロッパとは交信できます。

今後、50MHz のアンテナを6エレ HB9CV に取り替え改善する方針です。

当初の案では、50MHz のアンテナは8エレでしたが、ブーム9mもあるので、3.7MHzのアンテナのマストに当たって回転できない事が判明。いまさらマストを動かすのは狭い屋上(2.5m × 7m)なので大変です。

最小の労力でそこそこ8バンド楽しめるアンテナはこれが限界だと。



ワイアーアンテナの展開図は前回のものですが、横や前に突き出した竿の取り付け方が変わっている以外、大筋は変わっていません。狭い場所なのでまっすぐには張れません。鉄柵に4mの物干し竿をUボルトで斜めに突き出して固定。先端に卵碍子を取り付けてエレメントを通します。90度ずらした方向の別のコーナーに竿を取り付け。、卵碍子を介してエレメントを通し、エレメント端は2m位にまで接近します。
建坪12坪しかなく、片側20mの電線を空中で展開するにはこの方法しかありません。本来なら端は40m離れるべきですが、接近しても動作しましています。これでもコイル入れて半分の長さにするよりは、信号の強さや QSB時の強さ、バンド幅、いずれに対しても良いです。三重県津市の JA2PEZ 野口さんのところへ 200W 送信で 59+20dBで強力に届いています。

電動ウインチは柵に足場パイプをUボルト止め、上のほうに角パイプ、さらに上からのステー金具で補強、角パイプにウインチを取り付けします。このあたりの説明は広告で見てください。

連休中に何とか出来上がりました。
作業をすべて一人でやるため、アマゾンで電動ホイストを購入。マストやアンテナなどの資材は屋上までは楽々上がりましたが、引き入れるのにバカ力が必要でした。30kgありますので落下させるとまずいので、ホイストのワイヤー少しずつゆるめ、引き入れました。
さすがに息があがり30分ほど休憩が必要でした。
ウインチ + 角パイプ + ステーで合計 20kg 近くになるので、1人で上の方に取り付けは無理でした。

2017/05/17 de JR1KQU 加藤欣一

↑Page Top

21:30~ 50.5MHz AM通信のお誘い

最近、JL1PSW 森谷さんが出張がなく自宅に居る時、毎晩21:30 から 22:00 まで、渋谷区のJL1PSW 森谷さんと 50.5MHz AM にてラグチュウやっています。

先日は、足立区のJH1EAK 寺山さんと 50.5MHz AM にて、59/59 にて交信できました。

森谷さんは 22時からジョギングに行かれますので、その前までの時間しかできませんが、私は大丈夫なので、聞こえていましたらお声がけ下さいませ。

2017/05/17 de JR1KQU 加藤欣一

↑Page Top

樫福さんの件

JA3JKK 江上OM より,お便りをいただきました。

    「HF AM通信へのお誘い」復活の時にお祝いのメールを送るつもりでいたのですが生来のなまけもので今日に至りました。また毎日HPを覗いているわけでもないので情報を得るのがついつい遅くなっておりますところ、今朝、樫福さんの訃報に接し驚きまことに残念でなりません。

    樫福さんとは何度も交信していただきました。あの3Wの電波が私のダイポールにつないだ9R59でよく聞こえたんですよ。
    恥ずかしながら私などTX88Aをだましだまし使っているのに樫福さんの果敢なる挑戦には頭が下がる思いでした。そして「ようし、俺もやるぞ!」という気持ちにさせてくださいました。

    改めてログブックを見ますと2014/11/15が最後の交信でした。
    7195も新しくお出になるかたもある中で、樫福さんのお声が聞こえなくてどうしていらっしゃるんだろうとずっと思っておりました。非常に残念です。

    ご冥福を祈ります 73

    JA3JKK 江上 官


2017/05/08 de JR1KQU 加藤欣一

↑Page Top

JA5BRN樫福さんサイレントキー


2013年ハムフェア会場での JA1BRN 樫福さん

JA1KXS 橋本さんより悲しいお知らせです。


    坂本竜馬似風貌の通称アンテナ博士の樫福さんが4月8日に亡くなられました。

    奥様のお話より、去年の11月に入院手術(十二指腸がん)をされた時に余命半年程とのこと、奥様は覚悟をしていたようでした。

    ローカル仲間の 6m に最近声が聞こえず気になったいたところ「リンゴ判定装置(樫福氏開発商品化)」の仕事等忙しいと思っていた。3月末に樫福さんより突然電話があり、仮退院するので階段の上りに介助の依頼で驚きました。

    その後4月5日に退院の迎えに行った時も、退院出来る状態には思えませんでしたが、本人の希望だったのでしょう、自宅に戻り風呂にも入れ好きなビールも飲まれ(医者が少しならいいと)退院時に寄り道をして地元の桜並木や名物のしだれ桜を見られ喜んでいたとの事でした。

    8日に容態が急変し亡くなられたとのことでした。

    突然の事なので驚きの限りですが、あのだみ声の声が聞こえないのは残念でなりません。

    JA5BRN/1樫福さんのご冥福をお祈りいたします。



なお、本HPにおけるJA1BRN 樫福さんの掲載記事は、以下の通りです。
合掌

2017/04/21 de JR1KQU 加藤欣一

↑Page Top

九州QRPのブースがCQ誌32ページ左下に掲載されました

九州QRPのブースがCQ誌32ページ左下に掲載されましたのでお知らせします。



写真右は、JF6DEA 木下氏、50MHzビーコン(JA6YBR)を1985年に宮崎大学に立上げ、現在まで運営管理をしています。ビーコンに関する資料を展示しました。

写真中は、JP6NWR 光安氏、QRP部門 ピコ6をはじめミズホ通信のQRPのリグ、その他自作リグ、8J6VLPで交信したDXからのQSLカード等を展示しました。今年もまた4月26日~7月31日まで、QRPデー特別記念局8J6VLPを開設します。AMは1、5Wの電力で運用します。弱い電波にお付き合い下さいよろしくお願いします。

写真左は、JA6SZC 川島です。AMリグを展示、上段の黒ケースは、3バンド5W送信機、終段UZ-42、変調器5AQ5P-P,自宅(JA5DIC/6)で運用、下は7MHz、20Wトランシーバー終段S-2001シングル、SG変調、受信部は高1中2、FL50Bのケースに組みました。山小屋(JA6SZC)で運用しています。左にあるのは、調整中の1-V-2,その後ろは0-V-1です。

来店のAM愛好局は、JA6DI JA6CBU JA6EUU JA6FQH JA6FZR?JA6KNQ JA6XTX それに海の向こうからJA5DEH局長でした。店の対応で集合写真を撮るのを忘れましたHi.

日南市 川島

2017/03/31 de JR1KQU 加藤欣一

↑Page Top

「赤い流星号」が優秀賞-JARL沖縄支部55周年記念807送信機製作コンテストの結果発表-

製作コンテスト受賞者のみなさんの発表があり、「赤い流星号」が優秀賞ということで立派な賞状と副賞送信管と沖縄特産マンゴー(8月頃発送)の豪華な賞を戴きました。



実はこれだけではないんですよ!!
エントリーした時点で807を2本、他使用する真空管、タンク回路のタイトバリコン、2連バリコン、リレー等主要パーツ一式、沖縄支部より提供して戴きました。807は東芝の元箱入りの新品です。アキバで1本4000円します。大盤振る舞いのコンテストでしたよ。

受賞者の作品を順次CQ誌でご紹介させていただく予定でいます。

なお、コンテストの結果報告は、JARL沖縄支部のホームページでご覧戴けます。
807AM・CW送信機コンテスト結果発表(平成29年3月10日 JARL沖縄県支部

2017/03/19 de JR1KQU 加藤欣一

↑Page Top

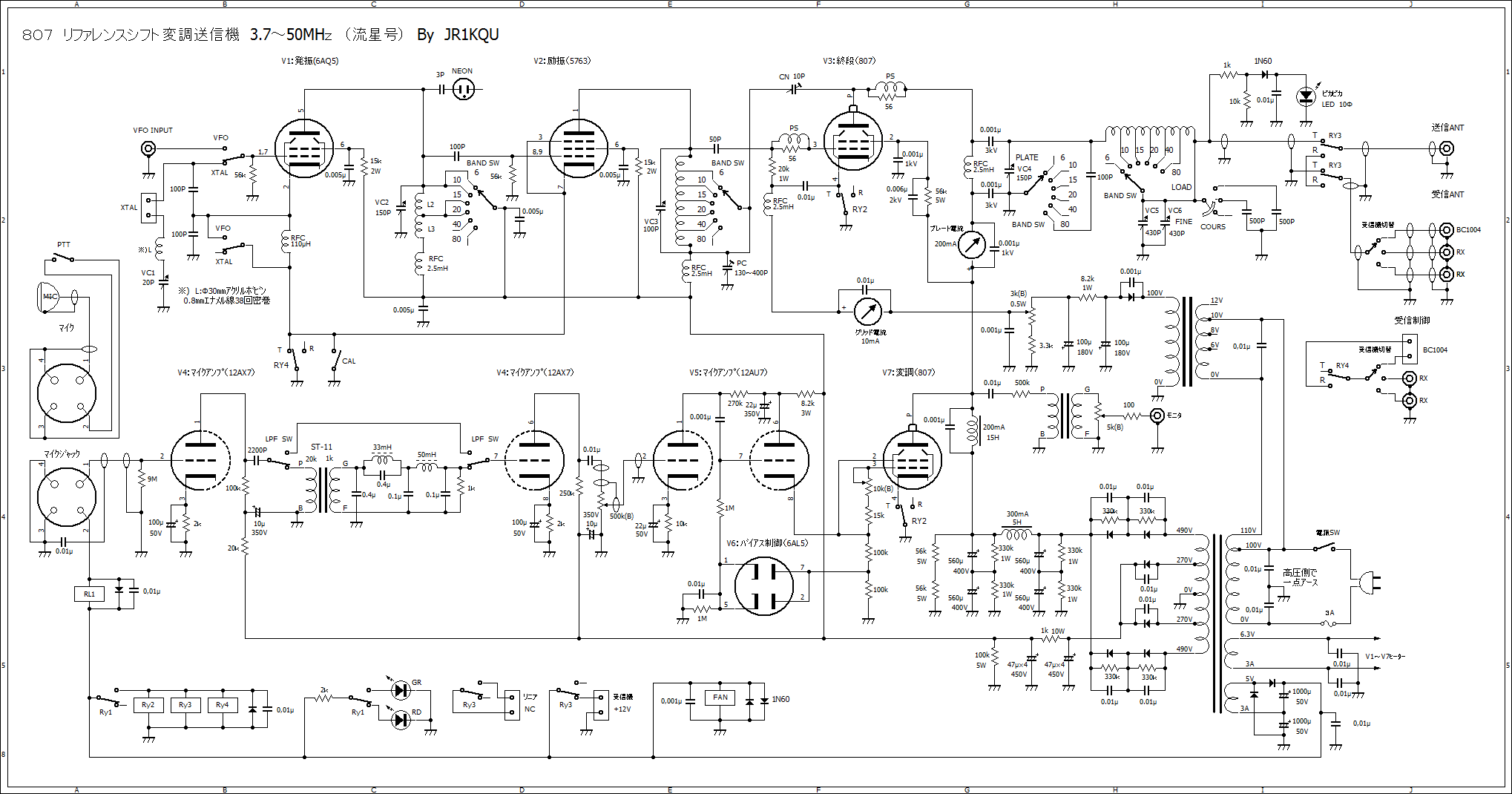
「赤い流星号」

ホームページ開通なり、タイトル右端に赤い流れ星が見えます。
JR1KQU最新作、『赤い流星号』です。詳細は以下の通りです。



(1)JARL沖縄県支部による、沖縄でアマチュア無線が許可されてから55周年を記念しての「807AM・CW送信機製作コンテスト」に参加させて戴ける機会を得られました事にまずもって感謝致します。
元来、昭和レトロの真空管工作が好きでありますので大変嬉しく勇んで、手持ちのパーツと合わせ3.7/7MHzの2バンド送信機なら直ぐ作れるから思う存分デザイン、付加回路等を加えて十分楽しめるぞとアイデアを膨らませておりました。

(2)8月のハムフェア、仲間のJE1EKH 小野里OMが古いFT243型の水晶再研磨の実演をされ多くの見学者が興味を持って見入ってる情景を目の当たりにしました。
非常に簡単な方法で昔の水晶を研磨し直して現代で使える周波数に作り替えるというものです。
その後、小野里OMより研磨し直し3.7~50MHzまで使える周波数の水晶をプレゼントされました。

(3)う~ん、待てよ!水晶さえあるならと7月に設計した送信機をオールバンダーにすべきだぞと9月に設計やり直しました。
11月初めには制御回路も受信機を3台までコントロール出来るように、併せてリニアアンプも接続コントロール出来る回路も入れてよし、これで行こうと決めアルミシャシーの加工に入りました。
送信機の完成が12月末との予定でした。すでに時間はカウントダウンを始めています。

(4)そうこうしてる内、小野里OMと別件で打ち合わせ中、スーパーVXOの話に今まで発表されてない方法で7MHzで100kHzも安定に動作するリポートを戴きました。

(5)黙って見過ごす手はありません。
急遽、VXOコイルを入れるシールドボックスを作り何とか狭いシャシーに収める事が出来ました。それに伴いパネルにバリコンを取り付けねばなりませんがギリギリの所でクリヤー出来、これなら年末年始で完成までもってゆけるか!!と突貫工事開始です。とにかく毎日少しずつでも良いからコツコツ毎日アルミ板相手に格闘、楽しみながら何とか此処までこぎ着けました。

(6)ドンドン夢が膨らんで気がついたら天まで昇っていたというわけです。
こんなに、送信機作り真面目に納得のゆく加工、半田付け出来たのは初めてです。2017年始まりますと作業時間も随分増えてきました。

(7) この回路で動作すると考えた理由
2007年8月号(?) JARL金沢クラブのクラブ報(?)、2014年9月CQ HAM RADIO別冊QEX JAPAN NO.12? P.11~15? にJA9MH 茶谷OMの807シングル送信機の製作記事を参考に、たまたま電源トランスが全く同じ物をジャンクで手持ちがあり、また変調器も807シングルですが、深く変調かかるようにとJA3KL 下原OMの製作された6146シングルのレファレンスシフト変調の回路を採用させていただきました。
両OMの送信機ともとても素晴らしい音で綺麗に変調がかかりAM送信機の手本のような性能です。

(8)これら貴重な先達のデータがありますからテスト無しでまず安心してうまく動作するはずだと目途をつけ、違う所はオールバンダーにした点です。
発振コイル、段間コイル、バンド切り替えロータリースイッチ等は手に入らないのでトリオのTX-88A送信機のジャンクを再利用しました。配置は難なく動作するよう88Aを見習いました。

(9)2009年に麗人号(3.7~28MHz? 7バンドAM送信機)、2011年に利休号(3.7 ~18MHz AM送信機)製作の経験から、まずもってこれで正常に動作するはずであるとの確信で設計が固まりました。

(10)昔のVFO-1も持っているものですからVFO/XTALの切替を付けました。VXOがきちんとスーパーVXOで動作すればVFOは必要ない話となります。

(11)オールバンダーの為スプリアス規定対策はローパスフィルター等で対処する事とし、音声のサイドが広がらぬように、低周波増幅回路にJA1FT 綿引OM方式のLPFを入れ300~3kHz以外をカットするようにしています。

(12)807シングル送信機流星号の仕様等
  シャシー寸法:35×25cmパネル39×18.5cm
  重 量:15kg
  ケース:昭和20年代の乾電池の木製箱を再利用して製作
  使用真空管:
   送信部:6AQ5-5763-807
   変調部:12AX7A-12AU7-6AL5-807レファレンスシフト変調
  バンド:3.7~50MHzHFオールバンダー
  出 力:30W



(13) 流星号は2017年1月22日の締め切りまでには残念ながら完成しませんでした。
電源周り、リレー回路が配線残りました。やがて完成、調整の暁には3.7MHz~50MHzのAM送信機流星号として末永く私の傍で働いてくれる逸品となると思います。



以上、簡単ではございますが、送信機未完成報告でございます。

尚、次回の製作コンテストは受信機予定との事です。

2017/03/19 de JR1KQU 加藤欣一

↑Page Top

さまざまなバンドでAM通信を!―ホームページ念願の再開です!―

皆様方にはお元気でお過ごしの事と存じます。

AM通信のホームページも丸4年になりまして2016年の10月頃より、ホームページを運営して戴いてるJP7CZE 川辺さんより、色々な情報を載せていますが、テーマ事に窓を作り調べたいテーマについて閲覧者の皆様が容易にたどり着けるように一度整理整頓してみようと思うがとの提案を戴きました。

だけどやるとなると過去の記事を全て読み返してテーマ事に仕分け、まとめるという気の遠くなる作業です。

まして川辺さんは現役の山形大学の教授で学生の講義、その他雑用も多いと聞いておりますので、本当に負担かけるは忍びなく思っていましたが、昨晩深夜2時頃突然!!出来上がったと連絡が入りました。

早速拝見、全体的にシャープになり各テーマ事に非常に見易く編集されています!大変有り難い事です。

どうか皆様も無線機製作のお供に今後もご利用下さいませ。

まずは、ホームページ念願の再開のお知らせです。

7195も日によってコンディションが不安定で冴えません。私は1月中旬より50.500 MHzAM/SSBで毎晩21時台にJL1PSW森谷さんとラグチュウをやっております。お互いスイスクワッドを上げて近いせいもあり59/59 でつながり情報交換しております。22時頃から森谷さんはトレーニングに走りにゆきます。
2月初めにはJH1VRS 杉並区の菅原さんがTR-1000で呼んで戴き50年ぶりでとらせんの音を聞き感動しました。いい音のAM波でした。

皆様も聞こえましたらお声がけ下さいませ。

2017/03/18 de JR1KQU 加藤欣一

↑Page Top
Copyright (C) 2013-2022, JA2OZE/JR1KQU Kin'ichi KATO (jr1kqu(at)yahoo.co.jp), all rights are reserved.